Parameter description issue 01/06 – Siemens 440 User Manual
Page 250

Parameter Description
Issue 01/06
MICROMASTER 440 Parameter List
250
6SE6400-5BB00-0BP0
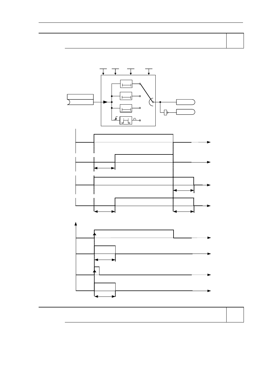
P2849
BI: Timer 1
Min: 0:0
CStat:
CUT
Datatype: U32 Unit:
-
Def:
0:0
P-Group: TECH
Active: first confirm
QuickComm.: No
Max: 4000:0
Define input signal of timer 1. P2849, P2850, P2851 are the inputs of the timer, outputs are P2852, P2853.
T
0
0
T
T
T
r2852
1
r2853
P2849
0
1
2
3
I
n
Ou
t
NOu
t
P2851(0)
P2850 (0.000)
P2850
In
Out
t
t
t
t
P2850
P2850
P2850
P2850
In
Out
t
t
In
Out
t
t
P2850
P2800 P2802.0
P2851 = 0 (ON Delay)
P2851 = 1 (OFF Delay)
P2851 = 2 (ON-OFF Delay)
P2851 = 3 (Pulse Generator)
Delay Time
Mode
ON Delay
OFF Delay
ON/OFF Delay
Pulse Gernerator
Index0
T
Dependency:
P2802[0] is active level for the timer.
P2850
Delay time of timer 1
Min: 0.0
CStat:
CUT
Datatype: Float Unit:
-
Def:
0.0
P-Group: TECH
Active: first confirm
QuickComm.: No
Max: 9999.9
Defines delay time of timer 1. P2849, P2850, P2851 are the inputs of the timer, outputs are P2852, P2853.
Dependency:
P2802[0] is active level for the timer.
Level
3
Level
3