Directory
Brands
IAI America manuals
Hardware
XSEL-S
Manual

IAI America XSEL-S User Manual

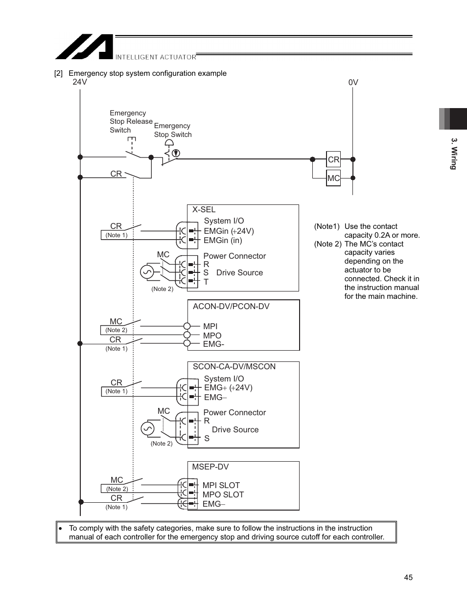
Page 51

  • Text mode
  • Original mode
IAI America XSEL-S User Manual | Page 51 / 154 IAI America XSEL-S User Manual | Page 51 / 154
Pages: 1 … 49 50 51 52 53 … 154
  • wrong Brand
  • wrong Model
  • non readable
This manual is related to the following products:
  • XSEL-R XSEL-QCT XSEL-PCT XSEL-Q XSEL-P XSEL-SXD XSEL-RXD XSEL-SX XSEL-RX XSEL-QX XSEL-PX
See also other documents in the category IAI America Hardware:
  • ERC2 (188 pages)
  • ERC2 (138 pages)
  • ERC3 (438 pages)
  • ERC (153 pages)
  • RCA-E (53 pages)
  • RCA-P (42 pages)
  • RCB-101-MW (38 pages)
  • RCP2-C (178 pages)
  • RCS-E (102 pages)
  • RCA-A4R (72 pages)
  • RCA-RA3C (114 pages)
  • RCA-SRA4R (56 pages)
  • RCA2-RA2AC (100 pages)
  • RCA2-SA2AC (92 pages)
  • RCA2-TA4C (134 pages)
  • RCD-RA1D (40 pages)
  • RCP2-BA6 (72 pages)
  • RCP2-GRSS (130 pages)
  • RCP2-HS8C (126 pages)
  • RCP2-RA2C (120 pages)
  • RCP2-RTBS (80 pages)
  • RCP2W-SA16C (46 pages)
  • RCP3-RA2AC (60 pages)
  • RCP4-RA5C (82 pages)
  • RCP4-SA5C (94 pages)
  • RCP4W (96 pages)
  • RCS2-F5D (142 pages)
  • RCS2-GR8 (46 pages)
  • RCS2-RN5N (80 pages)
  • RCS2-RT6 (60 pages)
  • RCS2-SA4C (258 pages)
  • RCS2-TCA5N (62 pages)
  • RCL-SA1L (66 pages)
  • RCL-RA1L (56 pages)
  • RCLE-GR5L (46 pages)
  • IK Series (16 pages)
  • FS (84 pages)
  • IF (76 pages)
  • ISB (114 pages)
  • ISDA (126 pages)
  • ISDB (116 pages)
  • ISPWA (90 pages)
  • NS (78 pages)
  • ICS(P)A (16 pages)
  • RS (46 pages)
Home Brands Popular manuals Recently added
Manuals Directory

© 2012–2025, azmanual.top
All rights reserved.