Tclk – Samsung S3F401F User Manual
Page 226

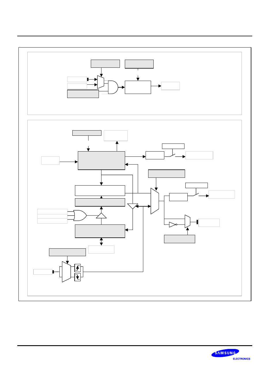
TIMER
S3F401F_UM_REV1.00
11-2
INTPND
INTMASK
INT_TOFn
NOTE1
:The counter clear by match is occurred only in the interval mode.
Timer n Buffer Register
TCON.5-.3:
OMS
16-bit Comparator
TDAT.7-.0:
DATA
Timer Data Register
Data Bus
INT_TMCn
Data Bus
TCNT.15-.0:
CV
16-bit Up Counter
Match signal
TnCL
TnOVF
Match
(NOTE1)
TCON.5-.3:
OMS
TnCAP
TCON.1:
IVT
TnPWM
INTPND
INTMASK
TCON.6:
CL
Clear
TCON.7:
TEN
TCON.2:
ICS
TPRE.7-.0:
PRESCALE
TnCLK
PCLK
TCON.6:
CL
Clear
TCLK
< Timer Clock Generation Part >
TCLK
Figure 11-1. 16-Bit Timer Block Diagram
See also other documents in the category Samsung Hardware:
- 100000 (2 pages)
- SPINPOINT MP4 HM320HJ (1 page)
- SPINPOINT MP2 HM201JJ (1 page)
- HN-M750MBB (1 page)
- SH-S223L (33 pages)
- F8274X (324 pages)
- SPINPOINT HS08XJF (1 page)
- DDR3 (21 pages)
- DLP TV SP67L6HX (64 pages)
- M471B1G73AH0 (31 pages)
- BN68-01416A-00 (425 pages)
- SWL-2200C (82 pages)
- SMG-3200 (228 pages)
- SADT-100EC (11 pages)
- SADT-104WM (12 pages)
- G2 PORTABLE HX-MU025DC (1 page)
- TruDirect BG68-01526A (9 pages)
- SADT-100HM (8 pages)
- TS-H663D (33 pages)
- MUXONENAND A-DIE KFN4G16Q2A (173 pages)
- SPINPOINT HS120JR (1 page)
- TrueDirect SH-S203S (16 pages)
- COMBO DRIVE SM-316 (10 pages)
- M391B5273DH0 (36 pages)
- SWL-2210P (67 pages)
- SC-140 (4 pages)
- TS-HB33 (31 pages)
- Color Dual Quad Network Observation System SSC21WEB (103 pages)
- BF68-00160B (60 pages)
- RIF-BT10 (17 pages)
- TS-HB43L (37 pages)
- TS-H292A (25 pages)
- Computer Drive (1 page)
- CAPLIO 400G (1 page)
- SWL-3000AP (88 pages)
- SCS-26UC4 (6 pages)
- SCS-26UC4 (67 pages)
- SWL-2100N (75 pages)
- SH-S223C (34 pages)
- FLEX-MUXONENAND KFM4GH6Q4M (142 pages)
- SNS-100/400 (38 pages)
- SWL-4000AP (89 pages)
- iDCS 500-DCS (32 pages)
- SN-324 (5 pages)