Directory
Brands
Samsung manuals
Hardware
S3F401F
Manual

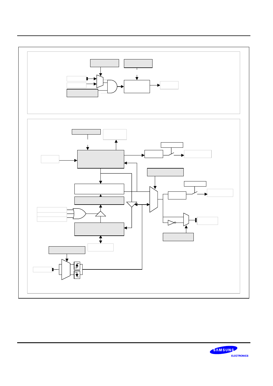
Tclk – Samsung S3F401F User Manual

Page 226

  • Text mode
  • Original mode
Tclk | Samsung S3F401F User Manual | Page 226 / 280 Tclk | Samsung S3F401F User Manual | Page 226 / 280
Pages: 1 … 224 225 226 227 228 … 280
  • wrong Brand
  • wrong Model
  • non readable
See also other documents in the category Samsung Hardware:
  • 100000 (2 pages)
  • SPINPOINT MP4 HM320HJ (1 page)
  • SPINPOINT MP2 HM201JJ (1 page)
  • HN-M750MBB (1 page)
  • SH-S223L (33 pages)
  • F8274X (324 pages)
  • SPINPOINT HS08XJF (1 page)
  • DDR3 (21 pages)
  • DLP TV SP67L6HX (64 pages)
  • M471B1G73AH0 (31 pages)
  • BN68-01416A-00 (425 pages)
  • SWL-2200C (82 pages)
  • SMG-3200 (228 pages)
  • SADT-100EC (11 pages)
  • SADT-104WM (12 pages)
  • G2 PORTABLE HX-MU025DC (1 page)
  • TruDirect BG68-01526A (9 pages)
  • SADT-100HM (8 pages)
  • TS-H663D (33 pages)
  • MUXONENAND A-DIE KFN4G16Q2A (173 pages)
  • SPINPOINT HS120JR (1 page)
  • TrueDirect SH-S203S (16 pages)
  • COMBO DRIVE SM-316 (10 pages)
  • M391B5273DH0 (36 pages)
  • SWL-2210P (67 pages)
  • SC-140 (4 pages)
  • TS-HB33 (31 pages)
  • Color Dual Quad Network Observation System SSC21WEB (103 pages)
  • BF68-00160B (60 pages)
  • RIF-BT10 (17 pages)
  • TS-HB43L (37 pages)
  • TS-H292A (25 pages)
  • Computer Drive (1 page)
  • CAPLIO 400G (1 page)
  • SWL-3000AP (88 pages)
  • SCS-26UC4 (6 pages)
  • SCS-26UC4 (67 pages)
  • SWL-2100N (75 pages)
  • SH-S223C (34 pages)
  • FLEX-MUXONENAND KFM4GH6Q4M (142 pages)
  • SNS-100/400 (38 pages)
  • SWL-4000AP (89 pages)
  • iDCS 500-DCS (32 pages)
  • SN-324 (5 pages)
Home Brands Popular manuals Recently added
Manuals Directory

© 2012–2025, azmanual.top
All rights reserved.