Altera Stratix V Avalon-MM Interface for PCIe Solutions User Manual
Page 129

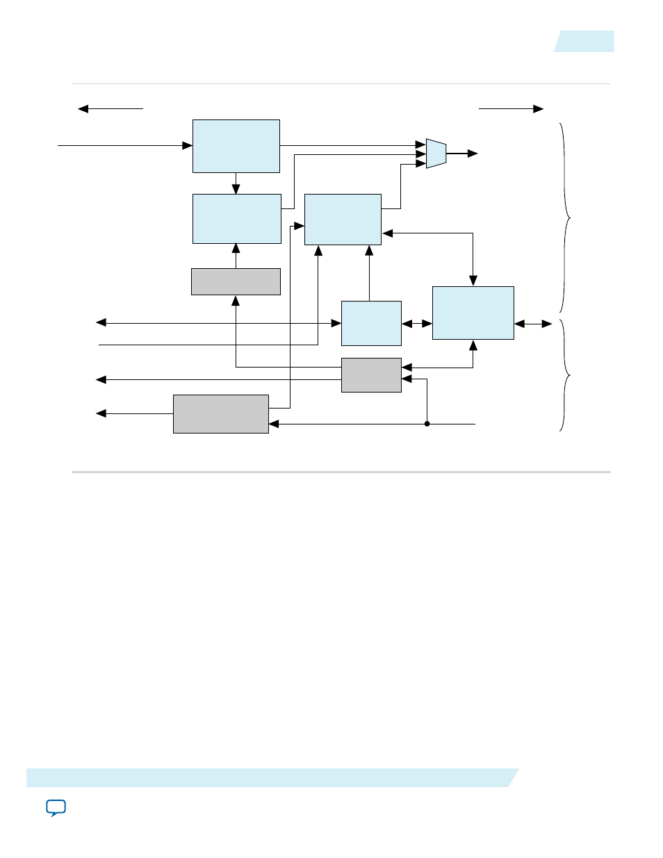
Figure 9-2: Data Link Layer
To Transaction Layer
Tx Transaction Layer
Packet Description & Data
Transaction Layer
Packet Generator
Retry Buffer
To Physical Layer
Tx Packets
Ack/Nack
Packets
RX Datapath
TX Datapath
Rx Packets
DLLP
Checker
Transaction Layer
Packet Checker
DLLP
Generator
Tx Arbitration
Data Link Control
and Management
State Machine
Control
& Status
Configuration Space
Tx Flow Control Credits
Rx Flow Control Credits
Rx Transation Layer
Packet Description & Data
Power
Management
Function
The DLL has the following sub-blocks:
• Data Link Control and Management State Machine—This state machine is synchronized with the
Physical Layer’s LTSSM state machine and is also connected to the Configuration Space Registers. It
initializes the link and flow control credits and reports status to the Configuration Space.
• Power Management—This function handles the handshake to enter low power mode. Such a
transition is based on register values in the Configuration Space and received Power Management
(PM) DLLPs.
• Data Link Layer Packet Generator and Checker—This block is associated with the DLLP’s 16-bit CRC
and maintains the integrity of transmitted packets.
• Transaction Layer Packet Generator—This block generates transmit packets, generating a sequence
number and a 32-bit CRC (LCRC). The packets are also sent to the retry buffer for internal storage. In
retry mode, the TLP generator receives the packets from the retry buffer and generates the CRC for the
transmit packet.
• Retry Buffer—The retry buffer stores TLPs and retransmits all unacknowledged packets in the case of
NAK DLLP reception. In case of ACK DLLP reception, the retry buffer discards all acknowledged
packets.
UG-01097_avmm
2014.12.15
Data Link Layer
9-5
IP Core Architecture
Altera Corporation
