120v ac three-phase control string example, Attention, Ultra3000 – Rockwell Automation 2090 Ultra3000 Servo Drives Integration Manual User Manual
Page 130: Ultra3000 drive

Publication 2098-IN005C-EN-P — March 2008
130
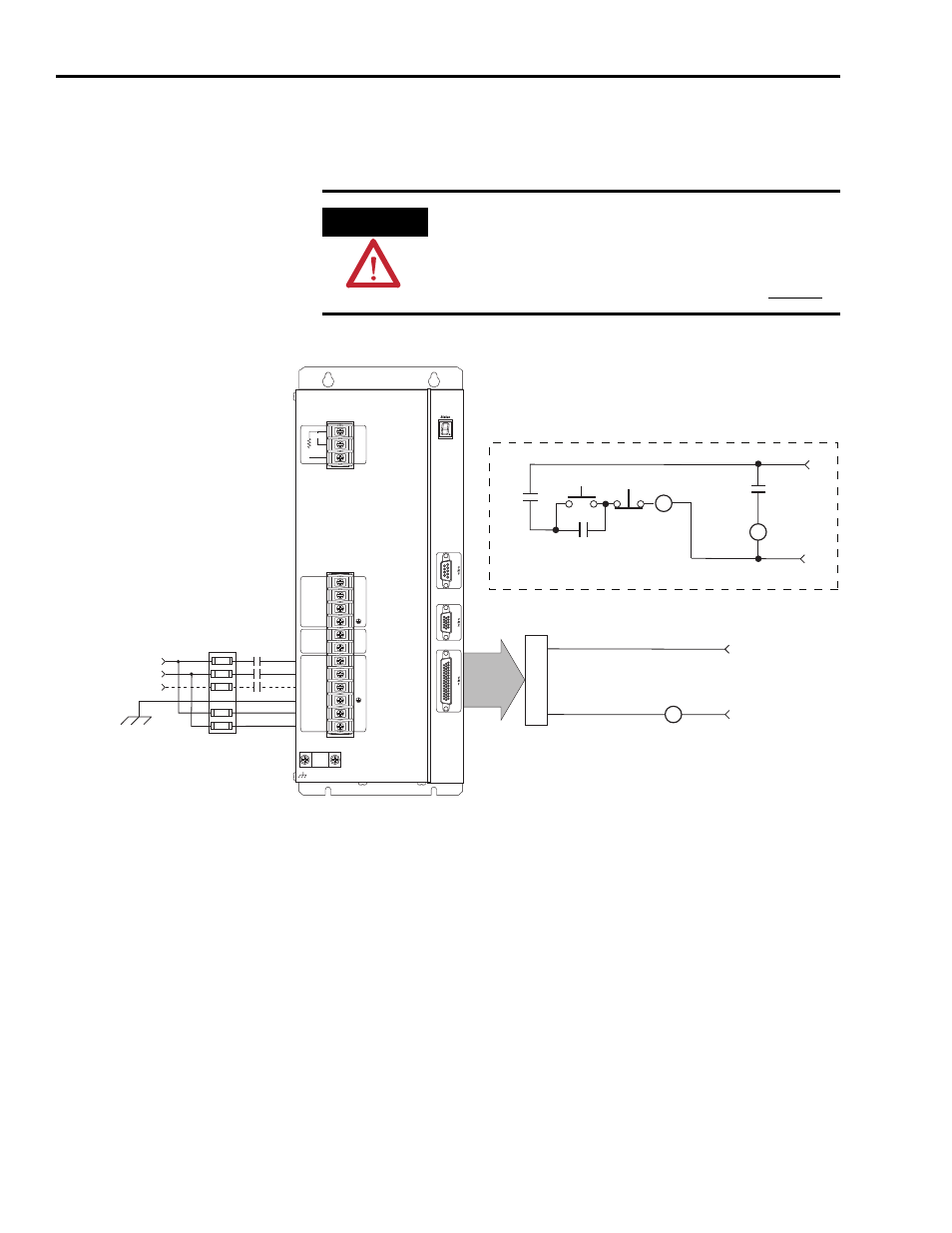
Interconnect Diagrams
In this example, the 2098-DSD-075x-xx, 2098-DSD-150x-xx,
2098-DSD-HVxxx-xx, and 2098-DSD-HVxxxX-xx Ultra3000 drive is
wired to the 120V ac control string.
120V ac Three-phase Control String Example
ATTENTION
Implementation of safety circuits and risk assessment is the
responsibility of the machine builder. Please reference
international standards EN1050 and EN954 estimation and
safety performance categories. For more information refer to
Understanding the Machinery Directive, publication
CN1
Ultra3000
Three-phase
AC Line
50/60 Hz
M1
U
V
W
+
-
L1
L2
L3
L1
AUX
L2/N
AUX
Motor
DC Bus
100-240 VAC
50/60 Hz
Internal
External
Shunt
1
2
3
TB2
TB1
Fuse
Block
L1
L2
L3
L1 Aux
L2/N Aux
120V ac
50/60 Hz
STOP
START
CR1
CR1
CR1
M1
Refer to Attention statement above
CR2
N.O. Relay Output+
N.O. Relay Output-
43
44
CR2
24V dc
Ultra3000
Drive
