Search
Directory
Brands
IAI America manuals
Hardware
RCP2W-RA10C
Manual
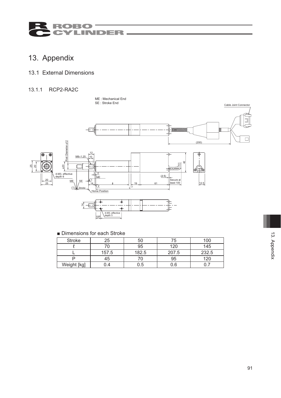
Appendix, 1 external dimensions, 1 rcp2-ra2c – IAI America RCP2W-RA10C User Manual
Page 97: Ŷ'lphqvlrqviruhdfk6wurnh, 91 13. appendix
Text mode
Original mode
Appendix, 1 external dimensions, 1 rcp2-ra2c | Ŷ'lphqvlrqviruhdfk6wurnh, 91 13. appendix | IAI America RCP2W-RA10C User Manual | Page 97 / 120
Pages:
1
…
95
96
97
98
99
…
120
wrong Brand
wrong Model
non readable
This manual is related to the following products:
RCP2W-RA6C
RCP2W-RA4C
RCP2-RGD6C
RCP2-RGD4C
RCP2-RGD3C
RCP2-RGS6C
RCP2-RGS4C
RCP2-RA8R
RCP2-RA6R
RCP2-RA4R
RCP2-RA3R
RCP2-RA10C
RCP2-RA8C
RCP2-RA6C
RCP2-RA4C
RCP2-RA3C
RCP2-RA2C
See also other documents in the category IAI America Hardware:
ERC2
(188 pages)
ERC2
(138 pages)
ERC3
(438 pages)
ERC
(153 pages)
RCA-E
(53 pages)
RCA-P
(42 pages)
RCB-101-MW
(38 pages)
RCP2-C
(178 pages)
RCS-E
(102 pages)
RCA-A4R
(72 pages)
RCA-RA3C
(114 pages)
RCA-SRA4R
(56 pages)
RCA2-RA2AC
(100 pages)
RCA2-SA2AC
(92 pages)
RCA2-TA4C
(134 pages)
RCD-RA1D
(40 pages)
RCP2-BA6
(72 pages)
RCP2-GRSS
(130 pages)
RCP2-HS8C
(126 pages)
RCP2-RTBS
(80 pages)
RCP2W-SA16C
(46 pages)
RCP3-RA2AC
(60 pages)
RCP4-RA5C
(82 pages)
RCP4-SA5C
(94 pages)
RCP4W
(96 pages)
RCS2-F5D
(142 pages)
RCS2-GR8
(46 pages)
RCS2-RN5N
(80 pages)
RCS2-RT6
(60 pages)
RCS2-SA4C
(258 pages)
RCS2-TCA5N
(62 pages)
RCL-SA1L
(66 pages)
RCL-RA1L
(56 pages)
RCLE-GR5L
(46 pages)
IK Series
(16 pages)
FS
(84 pages)
IF
(76 pages)
ISB
(114 pages)
ISDA
(126 pages)
ISDB
(116 pages)
ISPWA
(90 pages)
NS
(78 pages)
ICS(P)A
(16 pages)
RS
(46 pages)