Altera Arria V GT FPGA Development Board User Manual
Page 33

Chapter 2: Board Components
2–23
Clock Circuitry
December 2014
Altera Corporation
Arria V GT FPGA Development Board
Reference Manual
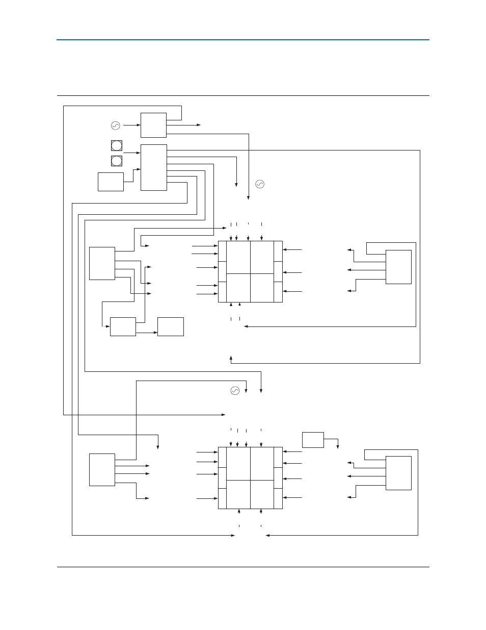
shows the default frequencies of all external clocks going to the Arria V GT
FPGA development board.
Figure 2–6. Arria V GT FPGA Development Board Clocks
r
(
p
R
SMA
SMA
50 MHz
50 MHz
50 MHz
50 MHz
100 MHz
100 MHz
100 MHz
100 MHz
100 MHz
50 MHz
100 MHz
100 MHz
100 MHz
100 MHz
125 MHz
125 MHz
125 MHz
625 MHz
156.25 MHz
156.25 MHz
125 MHz
125 MHz
125 MHz
625 MHz
125 MHz
125 MHz
125 MHz
625 MHz
625 MHz
125 MHz
125 MHz
156.25 MHz
125 MHz
125 MHz
148.5 MHz
Default
100 MHz
Default
100 MHz
Default
B u ffe
S i5 7 0
RE
F
C
L
K
IN
P
U
T
B u ffe r
C L K IN _ M A X _ 5 0
X7
U56
U51
X6
P C IE _ R E F _ C L K _ P /N
R E F C L K 1 A _ Q L 0 _ P /N
(P C Ie )
R E F C L K 3 _ A _ Q L 1 _ P /N
(S F P + )
CL
K
6
C
L
KI
N
B
O
T
A_
P/
N
[0
]
CL
K
IN
B
O
T
A
_
P
/N
[1
]
CL
K
7
R E F C L K 2 _ A _ Q L 1 _ P /N
(S F P + )
R E F C L K 4 _ A _ Q L 2 _ P /N
(S F P + )
C
L
KA_
1
2
5
_
P
/N
CL
K
0
CL
K
INA
_
5
0
CL
K
5
U16
U53
S i5 3 8 8
CLK0
CLK1
CLK2
CLK3
CL
K
1
7
CL
K
1
9
CL
K
INT
O
P
A
_
P
/N[
0
]
CL
K
INT
O
P
A
_
P
/N[
1
]
J16
U25
Bullseye
Connector
Clock Buffer
1:2
B 8
B 7
B 3
B 4
QL 2
QL 1
QL 0
QR2
QR1
QR0
R E F C L K 2 _ A _ Q R 1 _ P /N
(C 2 C , H S M A )
R E F C L K 0 _ A _ Q R 0 _ P /N
C 2 C )
R E F C L K 4 _ A _ Q R 2 _ P /N
H S M A )
U48
S i5 3 8 8
CLK0
CLK1
CLK2
CLK3
CL
K
11
CL
K
IN
B
O
T
B
_P
/N
[0]
CL
K
INB
O
T
B
_
P
/N[
1
]
CL
K
7
CL
K
B
_125_P
/N
CL
K
6
C
LK
IN
B
_50
CL
K
0p
S i5 7 1
U53
U13
R E F C L K 1 _ B _ Q L 0 _ P /N
R E F C L K 2 _ B _ Q L 1 _ P /N
(C 2 C )
C
LK
15
CL
K
20
C
L
KI
N
T
O
P
B
_
P
/N
[0
]
C
L
KI
N
T
O
P
B
_
P
/N
[1
]
S i5 3 8 8
R E F C L K 0 _ B _ Q L 0 _ P /N
(C 2 C )
CLK0
CLK1
CLK2
CLK3
R E F C L K 4 _ B _ Q L 2 _ P /N
(C 2 C )
U34
R E F C L K 2 _ B _ Q R 1 _ P /N
(F M C )
R E F C L K 1 _ B _ Q R 0 _ P /N
(H S M B , S D I)
R E F C L K 3 _ B _ Q R 2 _ P /N
(F M C )
B 8
B 7
B 3
B 4
QL 2
QL 1
QL 0
QR2
QR1
QR0
E F C L K 0 _ B _ Q R 0 _ P /N
(H S M B , S D I)
U52
S i5 3 8 8
CLK0
CLK1
CLK2
CLK3
SDI (148.5 M/148.35 M)
(
