Positioner 1067 anschluss-beispiele, D-51 – Burkert Type 1067 User Manual
Page 51

D-51-
POSITIONER 1067
ANSCHLUSS-BEISPIELE
-
+ 24 V
I/O4
I/O3
I/O2
I/O1 GND2 I2
I1
U1
GND1
24 VDC
PE
4-20 mA
0/4-20 mA
0-10 V
24 V=
-
+
8323
1067
3
2
1
4-20 mA
L+
-
+ 24 V
I/O4
I/O3
I/O2
I/O1 GND2 I2
I1
U1
GND1
24 VDC
PE
4-20 mA
0/4-20 mA
0-10 V
24 V=
-
+
ST25
1067
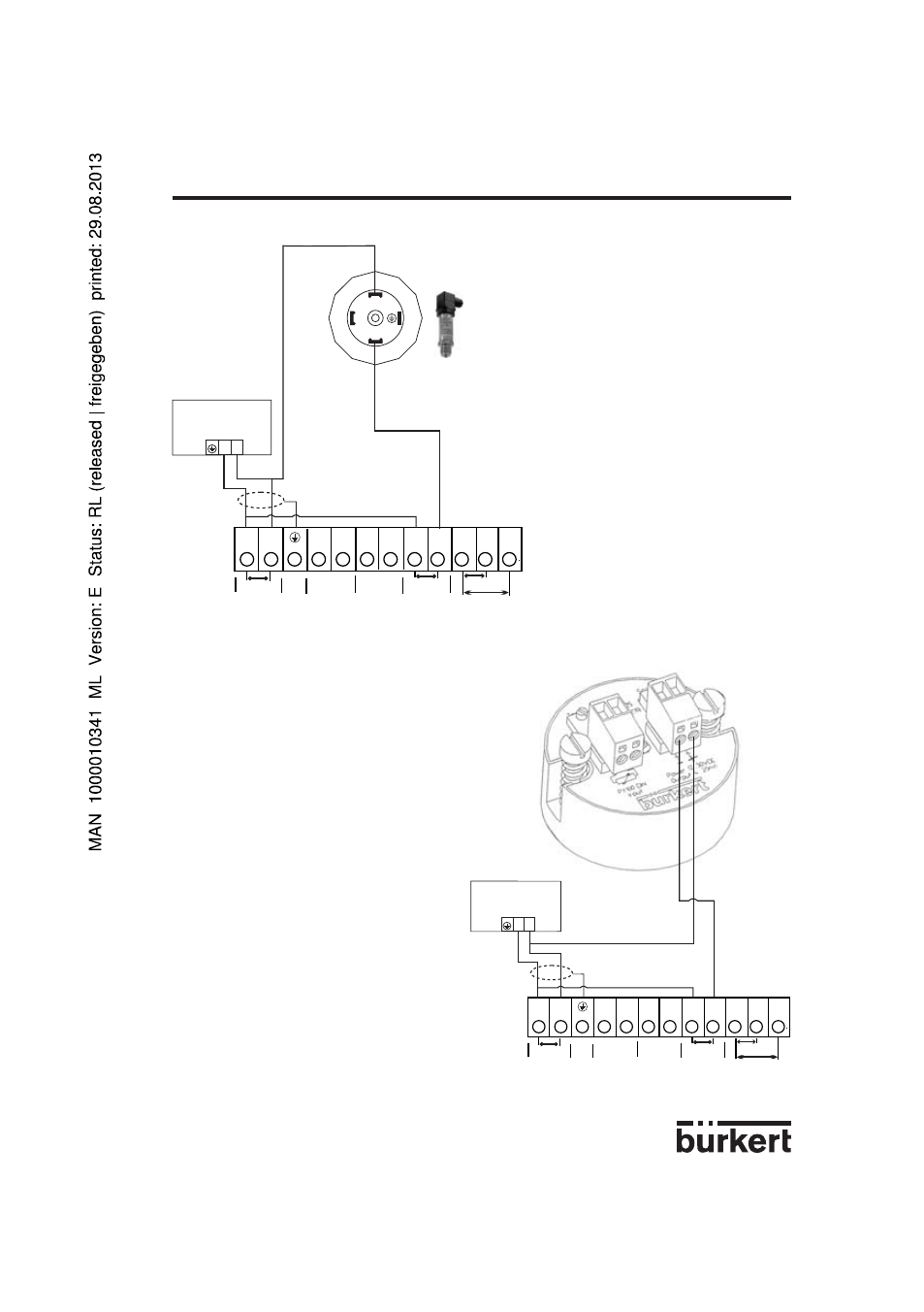
Anschluss zwischen dem Positioner
1067 and dem Druck-Sensor 8323.
Anschluss zwischen dem Positioner
1067 and dem Temperatur-Trans-
mitter ST25.
See also other documents in the category Burkert Sensors:
- Type 1062 (112 pages)
- Type 8750 (82 pages)
- Type 1050 (4 pages)
- Type 8750 (64 pages)
- Type 8681 (40 pages)
- Type 8681 (90 pages)
- Type 8798 (106 pages)
- Type 8798 (2 pages)
- Type 8791 (4 pages)
- Type 8792 (252 pages)
- Type 8718 (34 pages)
- Type 8792 (118 pages)
- Type 8791 (15 pages)
- Type 8792 (136 pages)
- Type 8791 (184 pages)
- Type 8791 (28 pages)
- Type 8791 (21 pages)
- Type 8791 (154 pages)
- Type 8791 (106 pages)
- Type 0911 (76 pages)
- Type 0911 (46 pages)
- Type 0911 (64 pages)
- Type 0911 (84 pages)
- Type 1058 (31 pages)
- Type 1060 (4 pages)
- Type 1066 (112 pages)
- Type 1077-2 (33 pages)
- Type 1094 (12 pages)
- Type 1094 (41 pages)
- Type 1094 (82 pages)
- Type 1094 (126 pages)
- Type 1115 (25 pages)
- Type 1150 (99 pages)
- Type 1541 (2 pages)
- Type 5142 (6 pages)
- Type 8619 (40 pages)
- Type 8619 (134 pages)
- Type 8620 (177 pages)
- Type 8622 (4 pages)
- Type 8623 (130 pages)
- Type 8623 (90 pages)
- Type 8625 (118 pages)
- Type 8624 (124 pages)
- Type 8718 (254 pages)