3 inverter disposal precautions – Toshiba Tosvert VF-A5 User Manual
Page 14
Attention! The text in this document has been recognized automatically. To view the original document, you can use the "Original mode".

Use of multiple inverter
units:
Observe the following points when using multiple inverter units on the
same power source line.
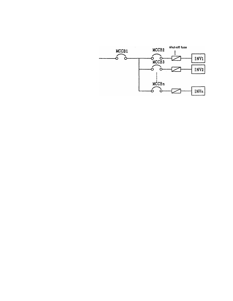
High-speed
As Shown above, there is no fuse installed in the inverter’s main
circuit, if a short circuit fault occurs in the inverter, not only MCCB2
will trip, but the main breaker MCCB1 may also trip.
Select the shut-off characteristics of MCCB1 and MCCB2 so that a
selective shutdown can be executed and only MCCB2 trips. If the
optimum characteristics cannot be selected, install a high-speed shut
off fuse after MCCB2. (Refer to page 14 for MCCB selection.)
4.3 Inverter Disposal Precautions
Observe the following points when disposing of the inverter.
Explosions from
incineration:
Gasses from plastics:
Disposal method:
Placing the inverter in an incinerator may be dangerous, as the
electrolytic fluid used in the electrolytic capacitors may expand and
explode.
The plastic used for the cover, etc., may generate poisonous gases
when incinerated.
Commission the disposal of the inverter to a specialist.
- ft -