Directory
Brands
Xantrex Technology manuals
Tools
SW Plus 4024
Manual

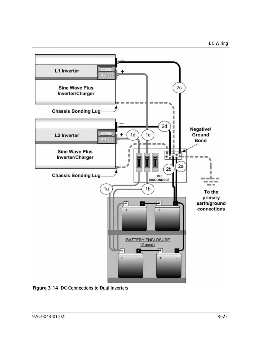
Figure 3-14 dc connections to dual inverters, Figure 3-14, Dc connections to dual inverters –25 – Xantrex Technology SW Plus 4024 User Manual

Page 107

  • Text mode
  • Original mode
Figure 3-14 dc connections to dual inverters, Figure 3-14, Dc connections to dual inverters –25 | Xantrex Technology SW Plus 4024 User Manual | Page 107 / 344 Figure 3-14 dc connections to dual inverters, Figure 3-14, Dc connections to dual inverters –25 | Xantrex Technology SW Plus 4024 User Manual | Page 107 / 344
Pages: 1 … 105 106 107 108 109 … 344
  • wrong Brand
  • wrong Model
  • non readable
This manual is related to the following products:
  • SW Plus 4048 SW Plus 5548 SW Plus 2524 SW Plus 2548
See also other documents in the category Xantrex Technology Tools:
  • XDC 60-100 (284 pages)
  • RS232-XPD (60 pages)
  • 230 VAC/50 (73 pages)
  • XDC 20-300SL (36 pages)
  • JAZZ 250 (36 pages)
  • XPD 120-4.5 (56 pages)
  • ACCB-L-L1 (64 pages)
  • 250 (36 pages)
  • 400R (74 pages)
  • 40 A (XADC-40) (20 pages)
  • XPR 40-150 (80 pages)
  • GT100E (40 pages)
  • C60 (114 pages)
  • GPIB-M-XFR3 (134 pages)
  • 600HD (64 pages)
  • XTR600 (274 pages)
  • XW POWER SYSTEM XW6048-120/240-60 (136 pages)
  • GT3.0 (110 pages)
  • 300 PLUS (64 pages)
  • PV100S-208 (90 pages)
  • PROwatt 600 (66 pages)
  • 700 PLUS (52 pages)
  • XDL 35-5TP (180 pages)
  • C40R/100 Remote (34 pages)
  • Powerpack 100 (53 pages)
  • Powerpack 300 (61 pages)
  • XPower Powerpack 400 R (82 pages)
  • XDI2048 (92 pages)
  • Solar 400 (66 pages)
  • PV-225208 (47 pages)
  • XPF 35-10 (40 pages)
  • ACCB (66 pages)
  • PROwatt 1000 (78 pages)
  • XMP 2600 (119 pages)
  • XDC (254 pages)
  • XFR 2800 (90 pages)
Home Brands Popular manuals Recently added
Manuals Directory

© 2012–2025, azmanual.top
All rights reserved.