Epson – Epson Power Supply S1F70000 User Manual
Page 106

S1F76640 Series
S1F70000 Series
EPSON
2–63
Technical Manual
S1F76640
Series
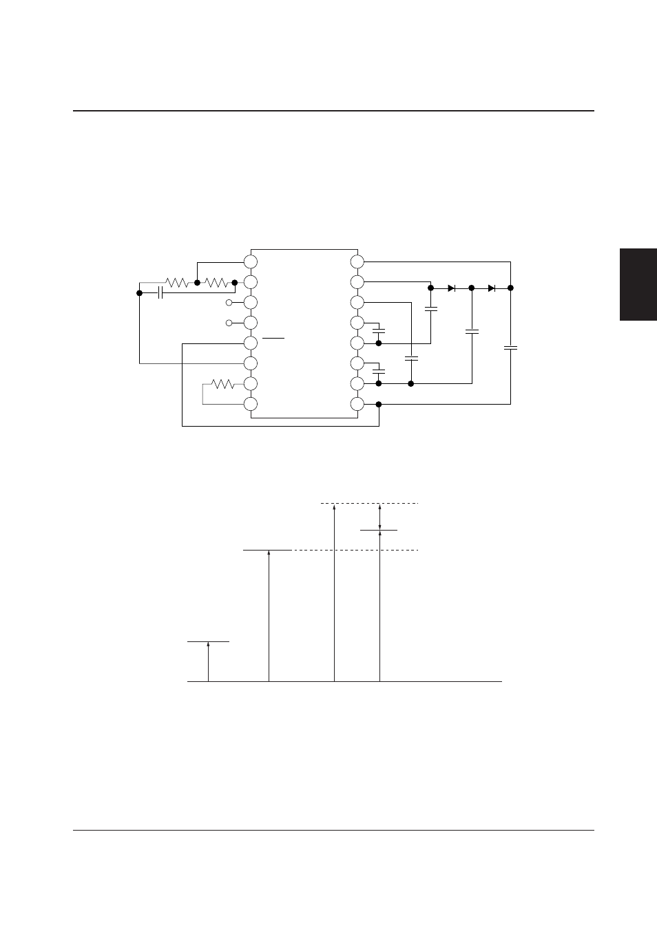
Configuration Example of High Magnification Step-up Circuit with Diode
S1F76640, if an external diode is attached, can realize 5 times or more step-up operation and voltage stabilized
output. Since the forward voltage drop V
F
of the diode makes the output impedance of the step-up output higher, it
is recommended to use a diode of small V
F
. Figure 8.10 shows a configuration example of a circuit with 2 diodes,
which realizes 6 times step-up operation and voltage stabilized output. Make the wire between V
O
and V
RI
as short
as possible. Figure 8.11 shows the potential relations diagram
By the way, use the voltage applied to the V
RI
pin below the absolute maximum rated voltage.
Figure 8.10 Configuration Example of 6 times step-up Circuit with Diode
Figure 8.11 Potential Relations Diagram of 6 times Step-up Circuit with Diode
16
15
14
13
12
11
10
9
1
2
3
4
5
6
7
8
V
RI
V
O
CAP3+
CAP2+
CAP2–
CAP1+
CAP1–
V
DD
RV
V
REG
V
SS
or V
O
V
SS
or V
O
C
2
C
1
+
–
+
–
+
–
+
–
+
–
+
–
C
3
C
4
C
5
C
6
TC1
TC2
P
OFF
V
SS
OSC1
OSC2
V
DD
V
SS
V
I
2 · V
F
4 · V
I
6 · V
1
6 · V
I
–2 · V
F
V
O
'
V
O