Directory
Brands
Epson manuals
Tools
Power Supply S1F70000
Manual

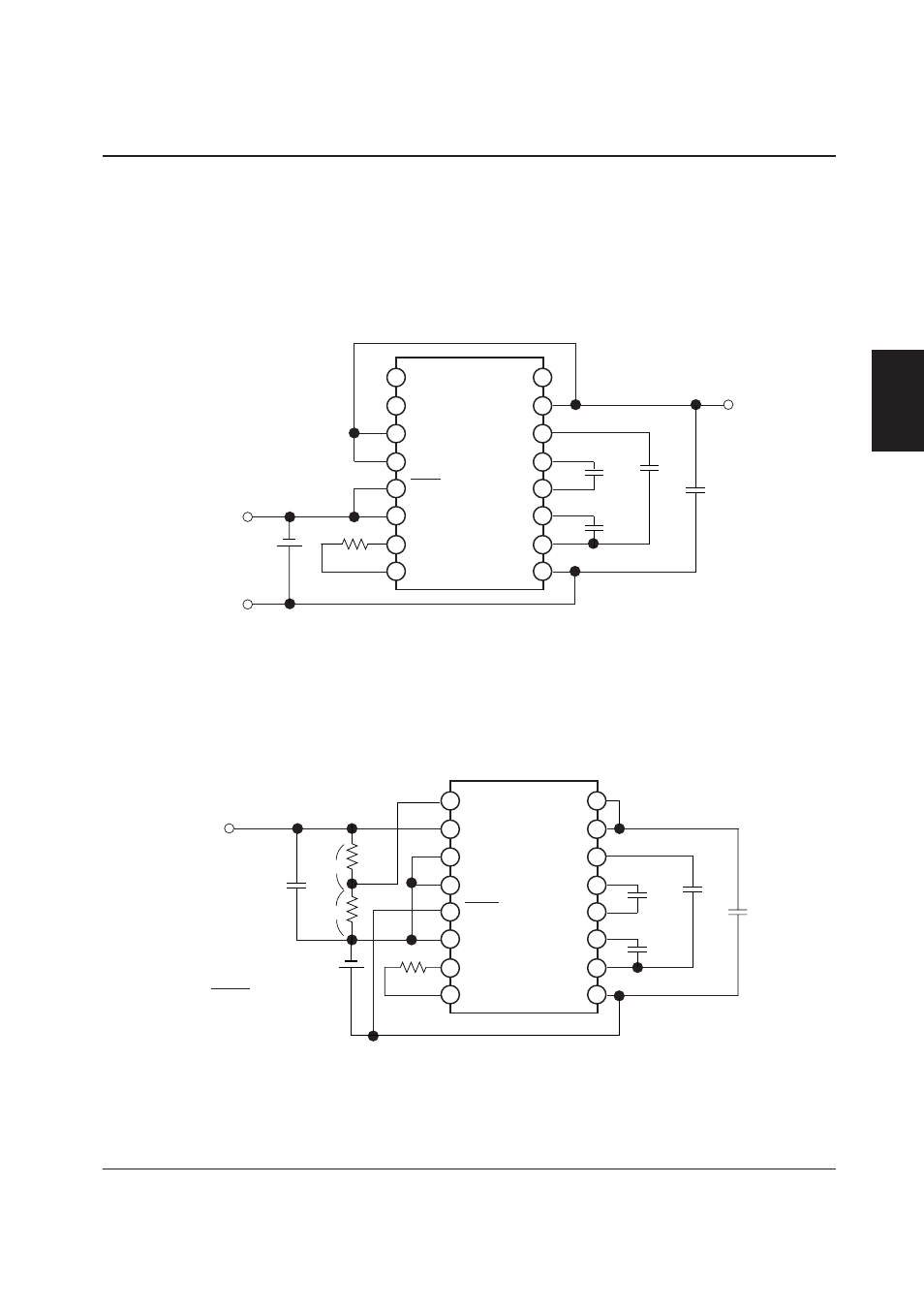
Application example, Epson, 4 times step-up + stabilization circuit – Epson Power Supply S1F70000 User Manual

Page 100

  • Text mode
  • Original mode
Application example, Epson, 4 times step-up + stabilization circuit | Epson Power Supply S1F70000 User Manual | Page 100 / 243 Application example, Epson, 4 times step-up + stabilization circuit | Epson Power Supply S1F70000 User Manual | Page 100 / 243
Pages: 1 … 98 99 100 101 102 … 243
  • wrong Brand
  • wrong Model
  • non readable
See also other documents in the category Epson Tools:
  • DW734 (25 pages)
  • DW130 (5 pages)
  • S1F77B01 (20 pages)
  • 7000XB (124 pages)
  • DC740 (7 pages)
  • 10050073 (16 pages)
  • AT1L-30020 (1 page)
  • D28402 (52 pages)
  • LABELWRITER SE450 (76 pages)
  • DW217 (23 pages)
  • INK CARTRIDGE S020191 (4 pages)
  • DW073 (68 pages)
  • DW251 (5 pages)
  • XRP DC330 (7 pages)
  • 5 (216 pages)
  • DC830 (7 pages)
  • DW935 (46 pages)
  • DW076 (52 pages)
  • 22-681 (24 pages)
  • D28114 (56 pages)
  • SD-SSLBLGB (2 pages)
  • D25940 (4 pages)
  • DW130V (6 pages)
Home Brands Popular manuals Recently added
Manuals Directory

© 2012–2025, azmanual.top
All rights reserved.