Yaskawa Sigma-5 User Manual: Design and Maintenance - Rotary Motors - Analog Voltage and Pulse Train Reference User Manual
Page 75

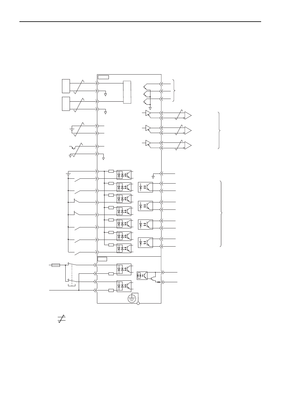
3 Wiring and Connection
3.2.5 Example of I/O Signal Connections in Torque Control
3-24
3.2.5 Example of I/O Signal Connections in Torque Control
Connection example in torque control is as shown below.
∗1.
represents twisted-pair wires.
∗2. Connect when using an absolute encoder. When the encoder cable with the battery case is connected, do not connect
a backup battery.
∗3. Enabled by the parameter setting.
∗4. The 24-VDC power supply is not included. Use a 24-VDC power supply with double insulation or reinforced insula-
tion.
∗5. When using the safety function, a safety function device must be connected and the wiring that is necessary to acti-
vate the safety function must be done to turn ON the servomotor power. When not using the safety function, use the
SERVOPACK with the JZSP-CVH05-E Plug (provided as an accessory) inserted into the CN8.
∗6. Always use line receivers to receive the output signals.
BAT(+)
BAT(-)
PBO
PCO
/PBO
PAO
/PAO
/PCO
/VLT+
/VLT-
/TGON+
/TGON-
/S-RDY+
ALM+
ALM-
22
21
10
27
28
29
30
31
32
25
26
19
33
34
35
36
20
+24 V
+24 VIN
3.3 k
Ω
/S-ON
/P-CON
P-OT
N-OT
/ALM-RST
/N-CL
47
41
43
42
44
45
/P-CL
46
40
/S-RDY-
V-REF
SG
A / D
5
6
T-REF
SG
9
2
+5 V
0 V
SEN
SG
4
ALO1
ALO2
ALO3
37
38
39
1
SG
FG
/HWBB1+
/HWBB1-
/HWBB2+
/HWBB2-
6
3
4
5
CN8
CN1
D/A
D/A
EDM1+
EDM1-
8
7
*2
SERVOPACK
*1
*4
*2
*3
Backup battery
2.8 to 4.5 V
Servo ON
(Servo ON when ON)
Reverse run prohibited
(Prohibited when OFF)
Forward run prohibited
(Prohibited when OFF)
Alarm reset
(Reset when ON)
Reverse external torque limit
(Limit when ON)
Forward external torque limit
(Limit when ON)
P control
(P control when ON)
Rotation Detection output
(ON when the motor speed
exceeds the settings.)
Servo alarm output
(OFF for an alarm)
Photocoupler output
Max. operating voltage:
30 VDC
Max. output current:
50 mA DC
Speed limit output
*3
(ON when the motor's
running speed is limited.)
Torque reference
(Max. input
voltage range:
± 12 V)
SEN signal input
Max. operating voltage: 30 VDC
Max. output current: 20 mA DC
External speed limit
(Max. input
voltage range:
± 12 V)
Servo ready output
(ON when ready)
Connect shield to
connector shell.
Connector
shell
SERVOPACK
Switch
Fuse
24 V
0 V
Safety function device
*5
Alarm code output (OFF for alarm)
Encoder output
pulse phase A
Encoder output
pulse phase B
Encoder output
pulse phase C
Applicable line receiver:
SN75ALS175 or
MC3486 manufactured
by Texas Instruments or
the equivalent
*6
*6
*6
45
