Im 3 – Delta Electronics AC Motor Drive VFD007S23A User Manual
Page 33

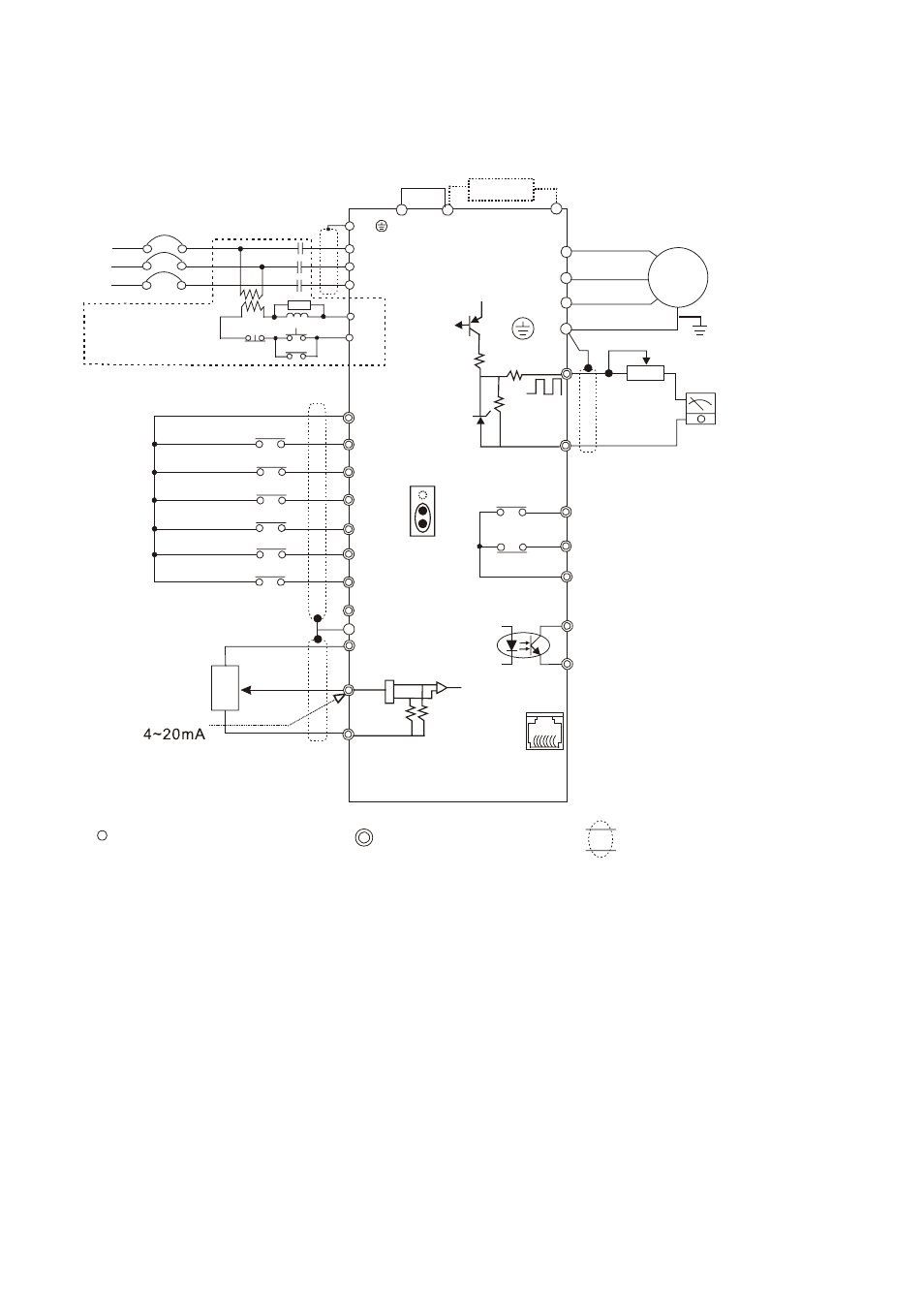
Chapter 2 Installation and Wiring|VFD-S Series
2-20
Revision August 2006, SE08, SW V2.61
For VFDXXXSXXE
PNP (source mode)
B2
U/T1
V/T2
W/T3
IM
3~
NOTE: Do not plug in a Modem or telephone line to the RS-485 communication
port, permanent damage may result. Terminal 1 & 2 are the power
sources for the optional copy keypad and should not be used while
using RS-485 communication.
6
1
←
+2/B1
E
M0
M1
M2
M3
M4
M5
GND
AVI
GND
+10V 10mA
(MAX)
3
2
1
Pot.
0
10VDC
Potentiometer
3K
5K
~
~ Ω
RJ-11
1:17
2:GND
3:SG-
4:SG+
V
Braking resistor (optional)
Forward/Stop
Reverse/Stop
Reset
Multi-step 1
Multi-step 2
Multi-step 3
Common signal (source)
Analog voltage
Analog current
AC Motor
Grounding resistance
less than 100
Ω
Mo1
MCM
RA
RB
RC
Multi-function indication
output contacts below
120VAC/24VDC 5A
Factory default:
indicates malfunction
Multi-function Photocoupler
output below 48VDC 50mA
Factory default: Indicates
during operation
AFM
GND
+
-
Potentiometer(1K
)
Ω
DC 0
10V
~
Analog output
Main circuit (power) terminals
Control circuit terminals
Shielded leads
* If it is single phase model, please select any of the two input power
terminals in main circuit power.
+1
Jumper
select 80
Ω
Ω
120W, 200
120W
400
120W
Ω
1
3
2
250
Ω
47K
Ω
Factory default: output freq. (Pot.)
determined by the Potentiometer
on the control panel.
Factory default: indicate
output frequency
47K
Ω
47
Ω
11V
CPU
+17V
2.4
Ω
RJ-11 communication port with
RS-485 serial interface
17V 20mA
E
NPN
J2
PNP
Main Circuit Power
S/L2
T/L3
NFB
SA
OFF
ON
MC
MC
RB
RC
Recommended Circuit
when power supply
is turned OFF by a
fault output
R/L1
R/L1
S/L2
T/L3
E
