Bit timer/counter0 with pwm, Overview, Registers – Rainbow Electronics ATmega64L User Manual
Page 67: Atmega16(l)

67
ATmega16(L)
2466B–09/01
8-bit Timer/Counter0
with PWM
Timer/Counter0 is a general purpose, single channel, 8-bit Timer/Counter module. The
main features are:
•
Single Channel Counter
•
Clear Timer on Compare Match (Auto Reload)
•
Glitch-free, Phase Correct Pulse Width Modulator (PWM)
•
Frequency Generator
•
External Event Counter
•
10-bit Clock Prescaler
•
Overflow and Compare Match Interrupt Sources (TOV0 and OCF0)
Overview
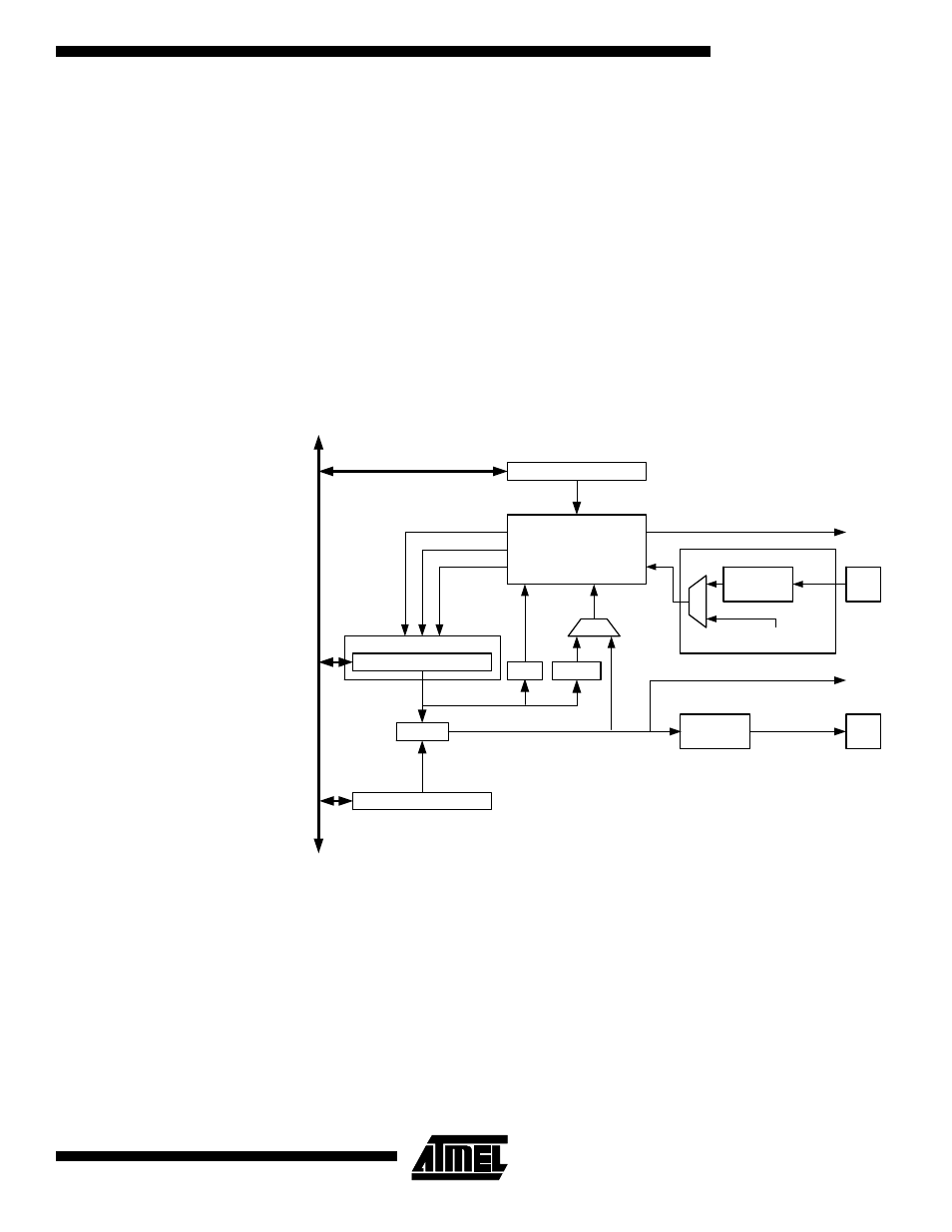
A simplified block diagram of the 8-bit Timer/Counter is shown in Figure 27. For the
actual placement of I/O pins, refer to “Pinouts ATmega16” on page 2. CPU accessible
I/O registers, including I/O bits and I/O pins, are shown in bold. The device-specific I/O
register and bit locations are listed in the “8-bit Timer/Counter Register Description” on
page 77.
Figure 27. 8-bit Timer/Counter Block Diagram
Registers
The Timer/Counter (TCNT0) and Output Compare Register (OCR0) are 8-bit registers.
Interrupt request (abbreviated to Int.Req. in the figure) signals are all visible in the Timer
Interrupt Flag Register (TIFR). All interrupts are individually masked with the Timer
Interrupt Mask register (TIMSK). TIFR and TIMSK are not shown in the figure since
these registers are shared by other timer units.
The Timer/Counter can be clocked internally, via the prescaler, or by an external clock
source on the T0 pin. The Clock Select logic block controls which clock source and edge
the Timer/Counter uses to increment (or decrement) its value. The Timer/Counter is
inactive when no clock source is selected. The output from the clock select logic is
referred to as the timer clock (clk
T0
).
Timer/Counter
D
ATA
B
U
S
=
TCNTn
Waveform
Generation
OCn
= 0
Control Logic
=
0xFF
BOTTOM
count
clear
direction
TOVn
(Int.Req.)
OCRn
TCCRn
Clock Select
Tn
Edge
Detector
( From Prescaler )
clk
Tn
TOP
OCn
(Int.Req.)
