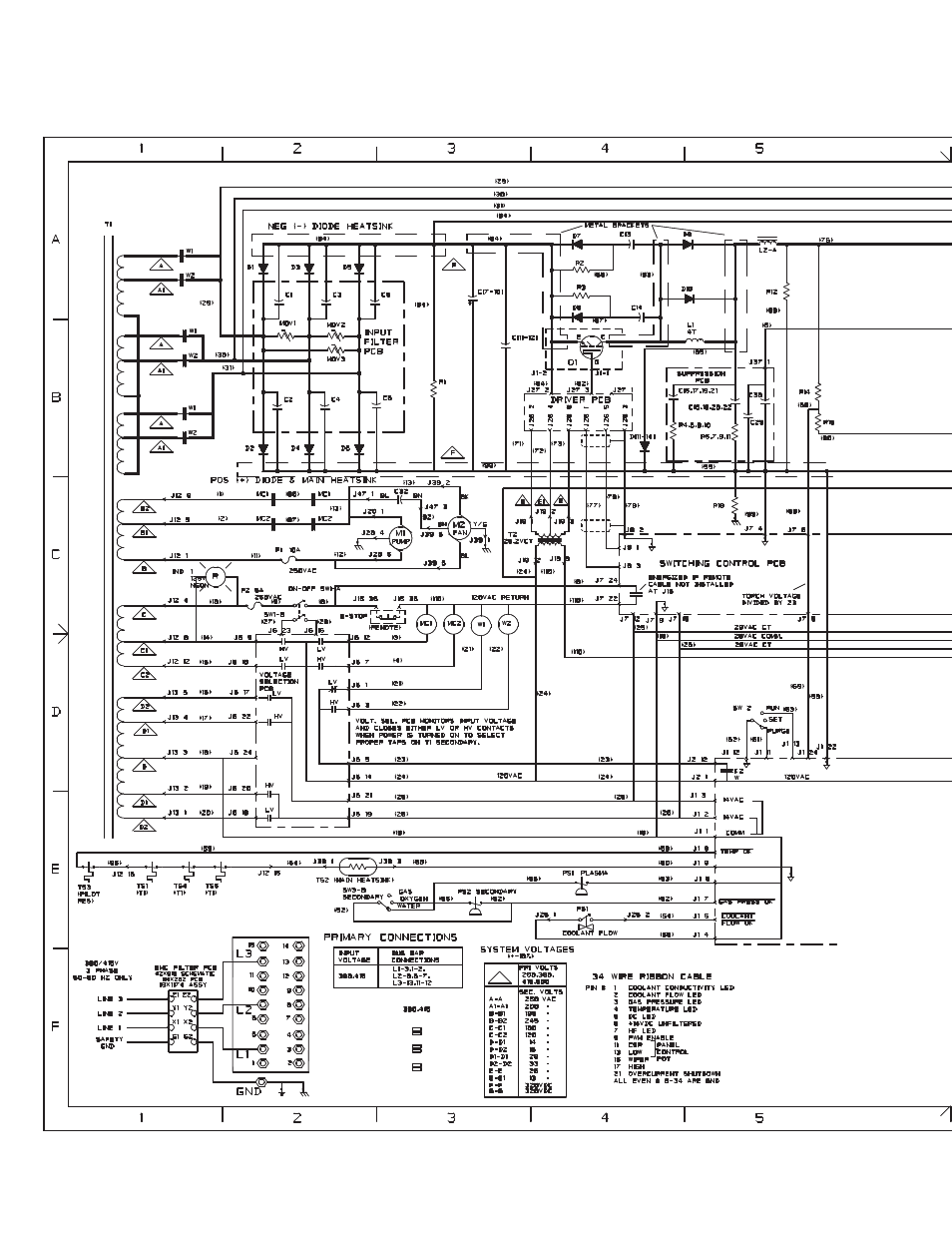
8 system schematic, 8 system schematic -8 – Tweco 15XC CE Merlin PAK User Manual
Page 132
See also other documents in the category Tweco Equipment:
- PAK 200i (160 pages)
- 211i Fabricator (96 pages)
- 15C Drag-Gun LT (32 pages)
- AirCut 15C (36 pages)
- TD-750 Cutting Systems (32 pages)
- TD-750 Cutting Systems (32 pages)
- 6000 Cutting System (36 pages)
- 100 Auto-Cut (104 pages)
- 100 Auto-Cut (148 pages)
- Auto-Cut 100 Torch Operation (20 pages)
- 200 Auto-Cut (136 pages)
- 300 Auto-Cut (164 pages)
- C-20A CUTSKILL (32 pages)
- C-35A CUTSKILL (36 pages)
- C-70A CUTSKILL (36 pages)
- 6000 CE Merlin (78 pages)
- Merlin 6000 Plasma Cutting CE Slave Power Supply (48 pages)
- 6000GST Merlin Plasma Cutting CE Slave Power Supply (78 pages)
- 150XL CE PAK Master Without Latch Circuit (54 pages)
- CutMaster 101 (62 pages)
- CutMaster 101 with SL100SV (172 pages)
- CutMaster 10mm (66 pages)
- CutMaster 10mm-12mm (44 pages)
- CutMaster 12mm-20mm-25mm (80 pages)
- CutMaster 12mm (76 pages)
- 151 CutMaster (60 pages)
- 151 with SL100SV (172 pages)
- 152 CutMaster (84 pages)
- 15mm Cutmaster (44 pages)
- 20mm Cutmaster (80 pages)
- 25mm Cutmaster (80 pages)
- CutMaster 35mm 40mm (80 pages)
- CutMaster 35mm (84 pages)
- 38 CutMaster (51 pages)
- 38 CutMaster (54 pages)
- 39 CutMaster (68 pages)
- 42 CutMaster Operating Manual (35 pages)
- 42 CutMaster Service Manual (78 pages)
- 50 CutMaster (44 pages)
- 51 CutMaster (60 pages)
- 51 with SL100SV CutMaster (172 pages)
- 102 Cutmaster (80 pages)
- 82 PlazMaster (80 pages)
- 81 CutMaster (63 pages)
