Converter, T/r– com t/r – CONTREX MLP-Drive User Manual
Page 34

2 - 18
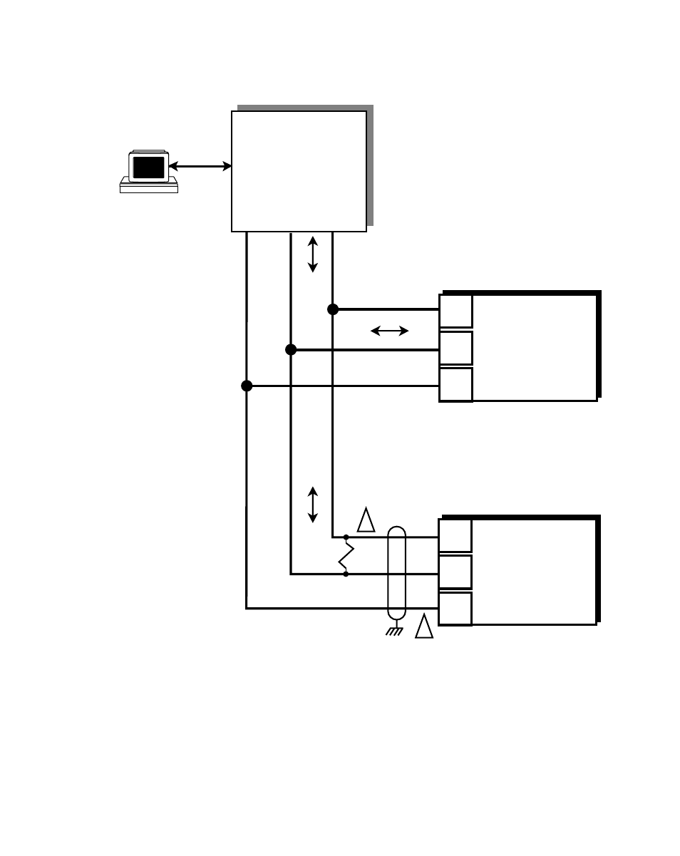
Figure 2-20 MLP–Drive Serial Communications Connections
1. Shield only at one end of the cable.
2. If you need to terminate the communication line, then terminate
it at the unit which is the furthest away from the converter. A 100
ohm, 1/2 Watt resistor will usually terminate successfully. Refer
to EIA Standard RS485A, for more information.
RS232 to RS485
Converter
2
1
MLP–Drive #1
J2
T/R–
COM
T/R+
MLP–Drive #2
1
2
3
J2
 TXD/ TXD/
COM RXD RXD
 — + 
1
3
2
T/R–
COM
T/R+
Isolated
