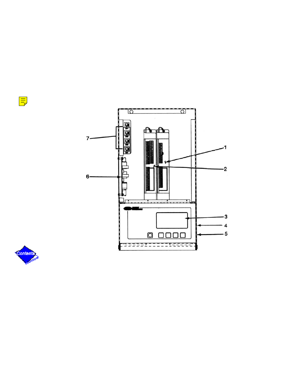
Figure 9 – Carrier 17/19EX User Manual
Page 362
See also other documents in the category Carrier Refrigerators:
- 19CB (12 pages)
- 30HS (8 pages)
- 30HW018-040 (44 pages)
- 30GTN015-035 (12 pages)
- 30GT-911---062 (12 pages)
- Centrifugal Liquid Chiller 17 (32 pages)
- 30HX076-271 (8 pages)
- 19QA (16 pages)
- 48TCA04---A12 (107 pages)
- 69NT40-511-1 (138 pages)
- EVERGREEN HFC-134A (52 pages)
- Container Refrigeration Unit (60 pages)
- Miracool 1300L (16 pages)
- R080-528 (8 pages)
- Streamline Scroll 69NT20-531-300 (93 pages)
- AQUASNAP 30MPA (16 pages)
- 19XL (100 pages)
- 19XL (392 pages)
- 19DA (12 pages)
- AQUAFORCE 30XW150-400 (148 pages)
- FLOTRONIC II 30GN040-420 (72 pages)
- 16JA (12 pages)
- Miracool (14 pages)
- EVERGREEN 19XR (12 pages)
- AQUASNAP MPW015-045 (80 pages)
- HERMETIC SCREW LIQUID CHILLERS 23 XL (36 pages)
- HS070-160 (28 pages)
- 16JB (11 pages)
- 30HK (16 pages)
- 19EA (8 pages)

