5 sending explicit message from ladder diagram, 1 the principle of explicit message sending, Sending explicit message from ladder diagram – Delta DVP-0204520-03 User Manual

Page 17: Devicenet network scanner dvpdnet-sl

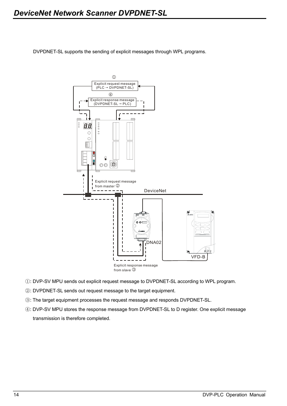
5 sending explicit message from ladder diagram, 1 the principle of explicit message sending, Sending explicit message from ladder diagram | Devicenet network scanner dvpdnet-sl | Delta DVP-0204520-03 User Manual | Page 17 / 44 5 sending explicit message from ladder diagram, 1 the principle of explicit message sending, Sending explicit message from ladder diagram | Devicenet network scanner dvpdnet-sl | Delta DVP-0204520-03 User Manual | Page 17 / 44