Instalace montât – STIEBEL ELTRON DHB-E 13 SL User Manual
Page 119
Attention! The text in this document has been recognized automatically. To view the original document, you can use the "Original mode".

INSTALACE
MONTÂT
10.S.2
Elektrickà pnpajka na zdi
PrÌstroj mùzete pripojit i v pripade, ze byla elektrickà pnvodnT
pripoika
polozena
primo naitènu.To piati
prò provedeni
pripojky
nahoTe i dole. Pcstupujte pritom takto:
»ProTiznéte nebc vylomte prùchotlky na zadnT strane a ve viku
pristroje.
Vhodna
mista
k
provedeni
prùchodek
naieznete
na
obrózku „Rczmery prò pripojeni elektrické pripojky'*.
Zmena kryt?.
V pfipade, ze budete pristro) pripojovat k eiektrickému
rozvodu
polozerìèmii
primo
na
$tene.
musite
na
typovém stitku zmènit krytÌ
z
hodnoty IP25 na IP2^.
Pouzijte k tomu nesmyvatelnou tuzku.
» Pfeskrtnete údaje ,,IP 25*' a znskrtnete moznost ,,IP 24".
10.3.3
Elektrickà pnpo]ka pri pouziti vetsich prùrezù kabelu
Demontàz a montàz kabelové spony
X\\
V pripndé pouziti vitsich prufezù vodicù mùzete namontovnt
kabelovQU spcnu pò provedeni montàze pristroje. Pcstupujte
prìtcm takto:
»Pred
montàzT
vytóhnete
pomoci
sroubovóku
knbelovcu
sponu
pfistroje.
»Zatlacte pristro] proti sroubùm v zàvesné liste tak. aby doslo
k prorazeni mèkkéhotèsnèni.
» Nasad'te upevnovaci pàcku na srcub zavésné listy, ktery vycniva
ze zadni steny.
»Pevne
pritlacte
zadni
stènu
a
zafistète
upevñovaci
pàcku
otocenim deprava o 90“.
» Nasunte kabelovcu sponu na privadm elektricky kabel. Pouzijte
k
tomu
montázni
pomùcku.
Pckud
budete
pcuzivat
elektricky
privodni kabel c prùfezu 10 nebo 16 mm^ musite zvetsit otvor
kabelové spony. Zatlacte kabelovcu sponu do zadni steny.
10.3.4
Pripojeni
zàtezDvého relé
Zàtézové relé pouzivejte v kombinaci sjinymi elektrickymì pTistroji.
napfiklad
s
topnymi
elektrickymì
akumulacnimi
zàsobntky.
K sepnuti relé dojde za provozu prùtokového ohrivace. Zàtézové
relé dodàvàme formou zvlàstniho pTislusenstvi.
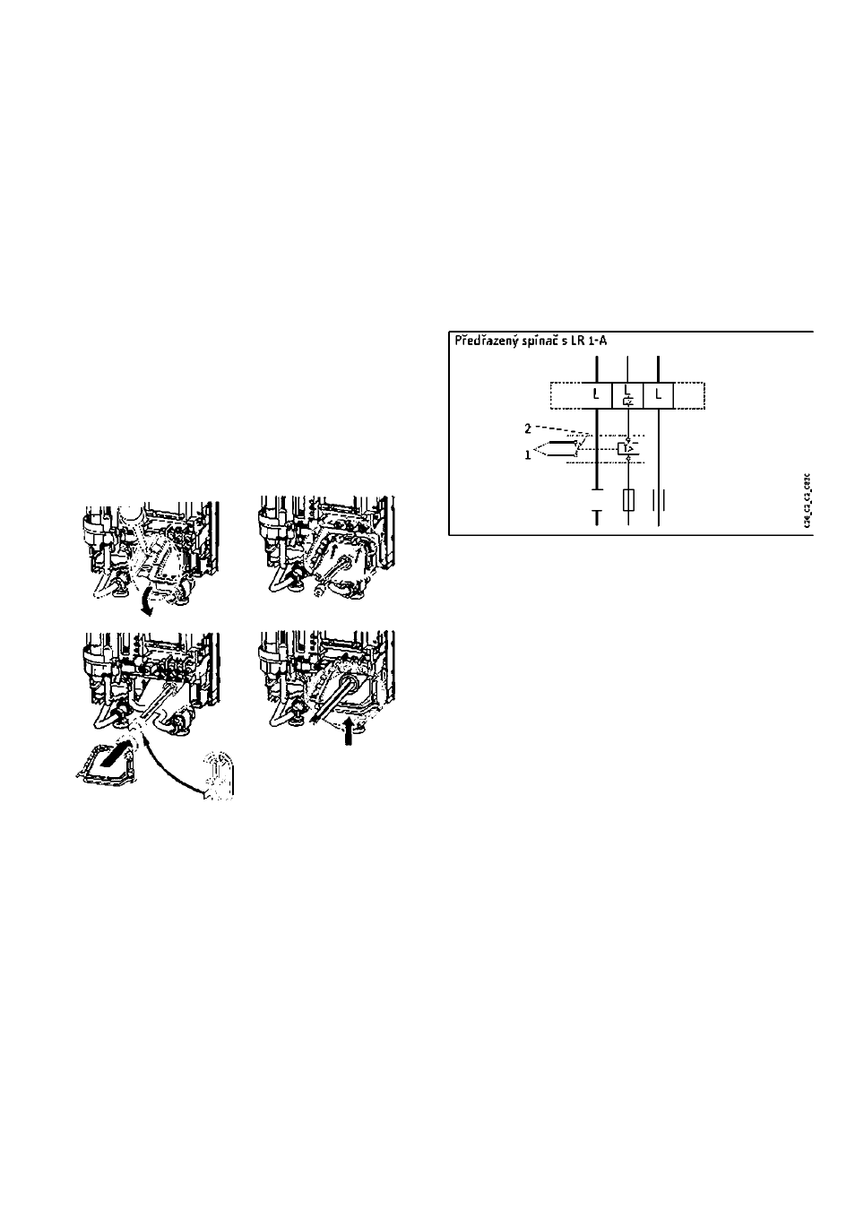
Pripojeni fàzi.
^1 Pripojte fàzi. kterà spina zàtézové relé» k oznacené
svorce elektrického sitbvého privodu v pnstroji.
1
Ridici cbvod stykace 2. pristroje (napriklad elektrické
ohrivani zàsobniku).
2
Ridici kontakt. ktery se otevre po znpnuti prùtokového
ohrivace.
10.3.5
Vodovodni instalace polozenà na sténu
Tlakové armatury, vhodné k montazi na sténu bud'v kuchyni
(WKMD) nebo V koupelne (WBMD) mùzete cbjednavat formou
zvlàstniho prislusenstvT.
»Namontujte vodovodni zatku spolu s tésnénim tak. aby doslo
k uznvfeni privedu instalovaného ve zdi. U nasich tlakcvych
armatur jsou zàtky a tésnéni soucàsti dodàvky. U tlakovych
armatur od jinych dodavatelù si mùzete zàtky a tésnéni objednat
jako dalli zviàstni prislusenstvi.
» Namontujte armaturu.
»Nasad'te
zadni
spodni
dii
pod
pripofovaci
trubky
armatury
a
zajistète zadni sténu.
» Pfisroubujte pnvodni trubky k pnstroji.
>-
co
UJ
DHB-E ... SLi electronic 1119
