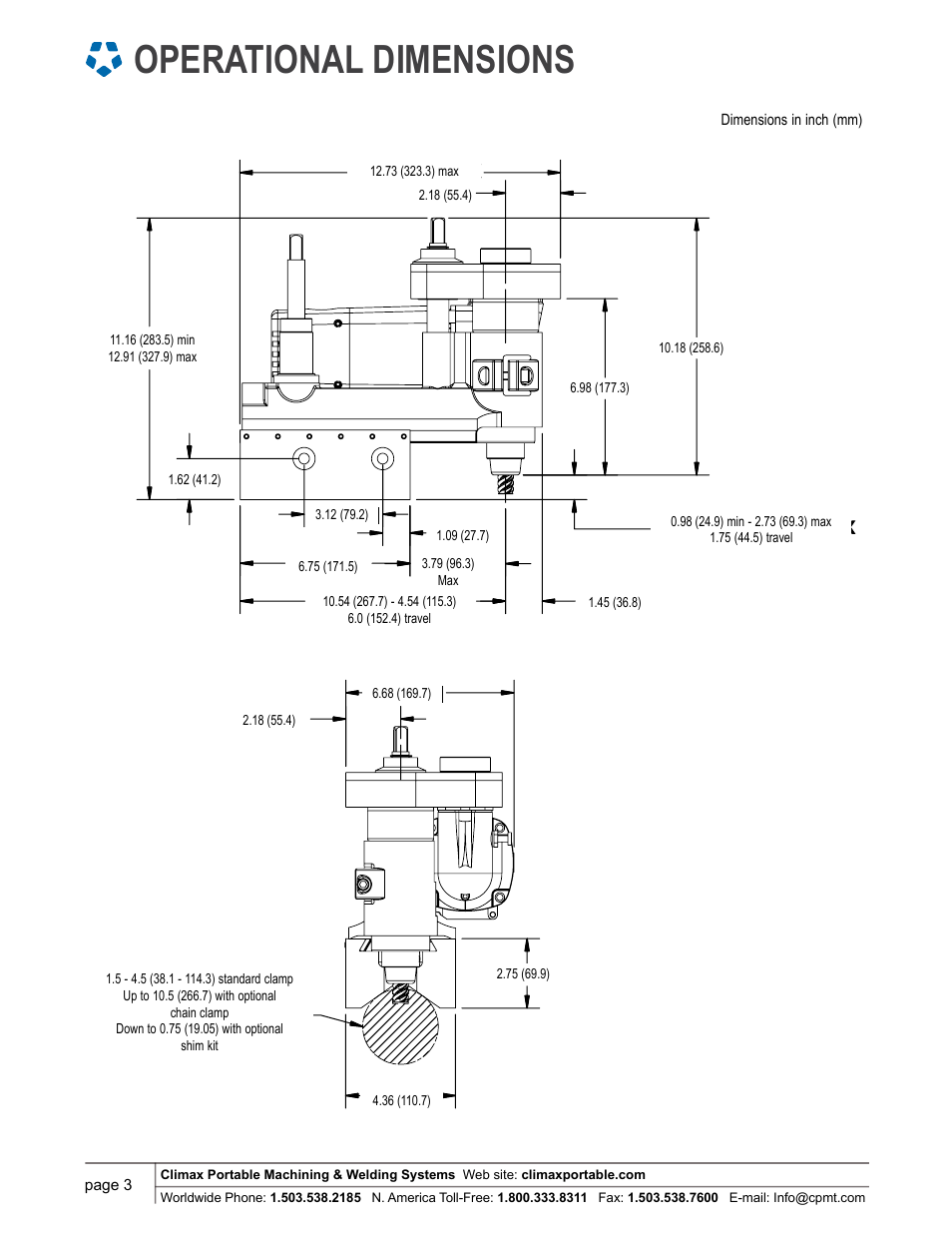
Operational dimensions – Climax KM3000 KEY MILL User Manual
Page 3
See also other documents in the category Climax Equipment:
- VM9000 PORTABLE GLOBE VALVE REPAIR (6 pages)
- VM6000 GLOBE/SAFETY/CONTROL VALVE REPAIR (12 pages)
- PL4000 LATHE (4 pages)
- PL3000 LATHE (6 pages)
- PL2000 LATHE (6 pages)
- KM4000 KEY MILL (8 pages)
- CM6200 CIRCULAR MILL (10 pages)
- CM6000 OBS CIRCULAR MILL (8 pages)
- LM6200 LINEAR/GANTRY MILL (13 pages)
- LM6000 OBS LINEAR/GANTRY MILL (10 pages)
- LM6200 Z-AXIS SLIDE ATTACHMENT (2 pages)
- LM5200 LINEAR/GANTRY MILL (12 pages)
- LM5000 OBS Portable MILL (16 pages)
- PM4200 MILLING MACHINE (8 pages)
- PM4000 OBS Three Axis Mills (8 pages)
- AC5000 AUTOCLAD COMPLETE MACHINE (8 pages)
- AC5000 AUTOCLAD INTEGRATION PACKAGE (6 pages)
- BW5000 AUTOBOREWELDER – PORTABLE BORE WELDING MACHINE (6 pages)
- BW5000 AUTOBOREWELDING autoborewelding vs. hand welding (4 pages)
- BW3000 AUTOBOREWELDER – PORTABLE BORE WELDING MACHINE (6 pages)
- BW3000 WELDING CONSUMABLES QUICK REFERENCE GUIDE (2 pages)
- BW1000 AUTOBOREWELDER – PORTABLE BORE WELDING MACHINE (4 pages)
- VM2350 GLOBE VALVE FLAT SEAT GRINDING & LAPPING (8 pages)
- Valve Cleaning Set (1 page)
- VM2000 3-Jaw Centering Chuck (1 page)
- VM2050S GLOBE/SAFETY VALVE GRINDING & LAPPING (9 pages)
- VM2050C GLOBE/SAFETY VALVE GRINDING & LAPPING (6 pages)
- VM1700 GATE VALVE GRINDING & LAPPING (7 pages)
- VM1350 GATE VALVE GRINDING & LAPPING (10 pages)
- VM1150 GATE VALVE GRINDING & LAPPING (9 pages)
- FF8200 FLANGE FACER (10 pages)
- FF8000 PORTABLE FLANGE FACER (8 pages)
- FF7200 FLANGE FACER (9 pages)
- FF6200 FLANGE FACER (8 pages)
- FF6000 PORTABLE FLANGE FACER (8 pages)
- FF5000 FLANGE FACER (8 pages)
- FF4000 FLANGE FACER (6 pages)
- FF3000 FLANGE FACER (6 pages)
- FF1000 FLANGE FACER (4 pages)
- BB8100 LINE BORING MACHINE (8 pages)
- BB8000 PORTABLE LINE BORING MACHINE (16 pages)
- Magnetic Back Travel Dial Indicator (2 pages)
- Electric axial feed assembly For BB6100, BB7100 and BB8100 (2 pages)
- BB7100 LINE BORING MACHINE (8 pages)