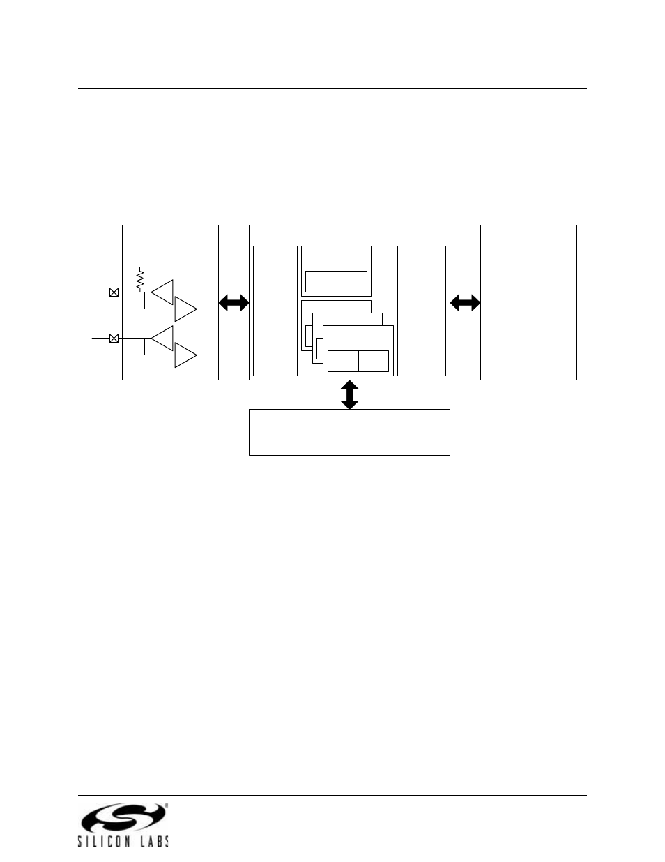
Universal serial bus controller (usb0), Figure 16.1. usb0 block diagram, Section “16. universal serial bus controller – Silicon Laboratories C8051F347 User Manual

Page 159: Detected. see, Section “16. universal serial bus con, Section 16

Universal serial bus controller (usb0), Figure 16.1. usb0 block diagram, Section “16. universal serial bus controller | Detected. see, Section “16. universal serial bus con, Section 16 | Silicon Laboratories C8051F347 User Manual | Page 159 / 276 Universal serial bus controller (usb0), Figure 16.1. usb0 block diagram, Section “16. universal serial bus controller | Detected. see, Section “16. universal serial bus con, Section 16 | Silicon Laboratories C8051F347 User Manual | Page 159 / 276
This manual is related to the following products: