Directory
Brands
Adept manuals
Equipment
s350 Cobra
Manual

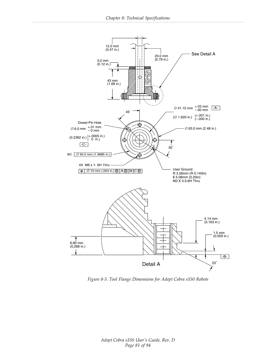
Detail a, Chapter 8: technical specifications – Adept s350 Cobra User Manual

Page 81

  • Text mode
  • Original mode
Detail a, Chapter 8: technical specifications | Adept s350 Cobra User Manual | Page 81 / 94 Detail a, Chapter 8: technical specifications | Adept s350 Cobra User Manual | Page 81 / 94
Pages: 1 … 79 80 81 82 83 … 94
  • wrong Brand
  • wrong Model
  • non readable
See also other documents in the category Adept Equipment:
  • i800 Cobra (110 pages)
  • s800 Cobra (128 pages)
  • s800 s800 (142 pages)
  • s650H Quattro (128 pages)
  • s1300 Viper (62 pages)
  • s850 Viper (100 pages)
  • s1700D Viper (82 pages)
  • s800HS Quattro (196 pages)
  • SmartMotion (60 pages)
  • T2 Pendant (50 pages)
  • EX SmartContoller (96 pages)
  • Smart Vision MX (34 pages)
  • T20 Pendant (56 pages)
  • Python (170 pages)
  • AnyFeeder (68 pages)
  • Lynx Platform (116 pages)
  • AdeptSight Reference Guide (579 pages)
  • AdeptSight User Guide (646 pages)
Home Brands Popular manuals Recently added
Manuals Directory

© 2012–2025, azmanual.top
All rights reserved.