Top view, Bottom view, Komodo operation guide – RED DIGITAL CINEMA KOMODO 6K Digital Cinema Camera (RF) User Manual

Page 178

background image

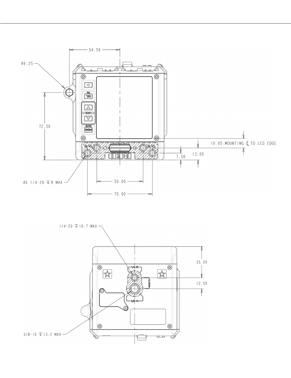
TOP VIEW

Figure: Camera Top View

BOTTOM VIEW

Figure: Camera Bottom View

COPYR IGHT © 2 0 2 0 R E D.COM , LLC

9 5 5 -0 1 9 0 , R E V 1 .2 | 1 7 0

KOMODO OPERATION GUIDE