Installation instructions, Figure 4b, Figure 4a – Draw-Tite 50066 CUSTOM QUICK INSTALL BRACKETS User Manual
Page 5: Part numbers

Installation Instructions
Part Numbers:
50066
CUSTOM QUICK INSTALL
MOUNTING KIT
Chevrolet/GMC 2500/3500
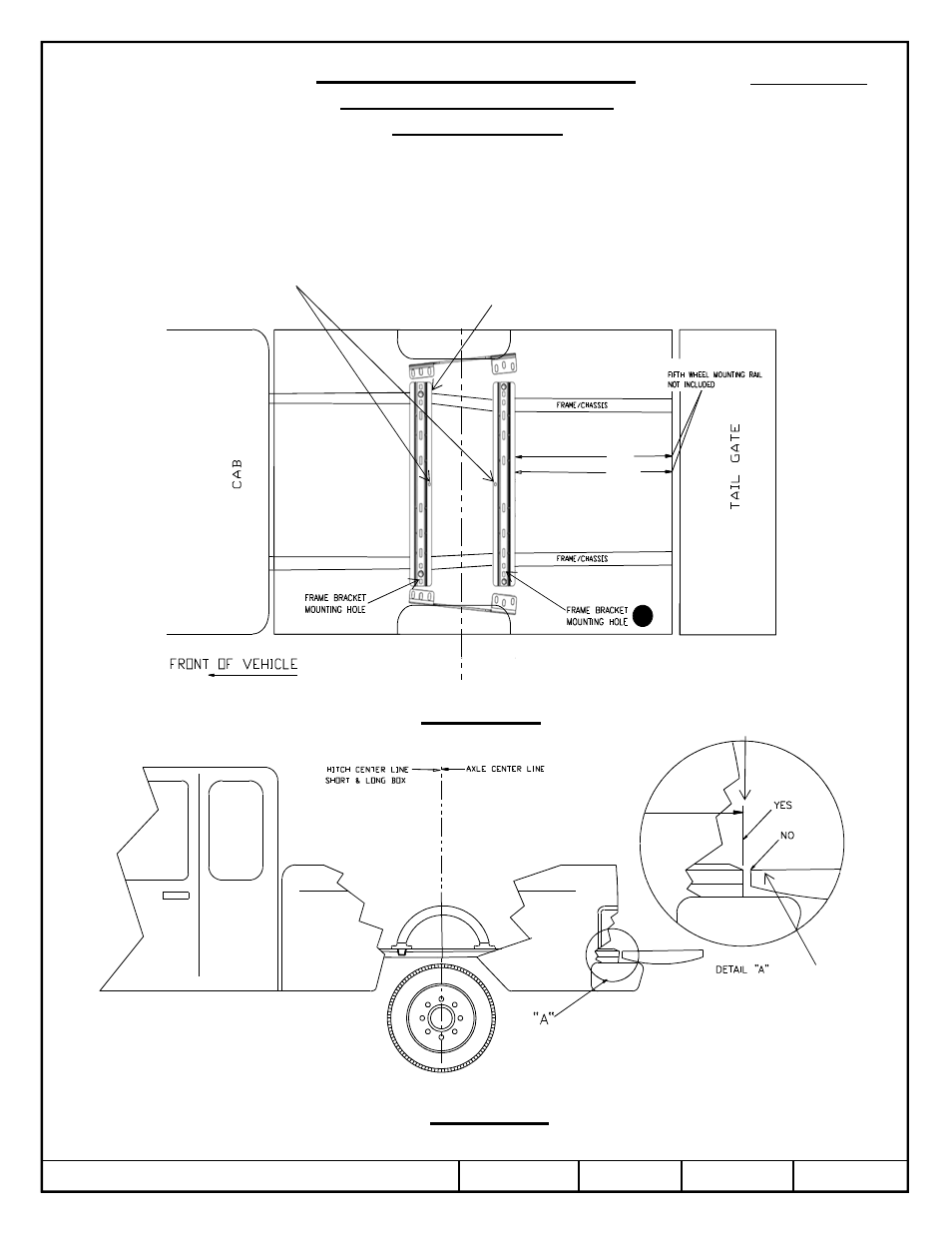
Position the Rail 30124
2011, 2014 Cequent Performance Products, Inc. Printed in Mexico
Sheet 5 of 18
50066N
4-16-14
Rev. D
Figure 4B
TAIL GATE
MEASURE TO END OF BED
8’ BOX
6’-6” BOX
29-3/8”
24-11/16”
USE SUPPORT ARCHES / SLIDER / GOOSE TO LOCATE FRONT RAIL
30124
NOTE: If you are installing a hitch rated over 18K,
additional hardware, (supplied with that hitch), must be
installed in the center of each rail.
●
●
●
●
Figure 4A
See also other documents in the category Draw-Tite For the car:
- 41991 SERVICE BODY RECEIVER (6 pages)
- 41990 SERVICE BODY RECEIVER (6 pages)
- 65064 FRONT MOUNT RECEIVER (3 pages)
- 65056 FRONT MOUNT RECEIVER (6 pages)
- 65050 FRONT MOUNT RECEIVER (6 pages)
- 65052 FRONT MOUNT RECEIVER (3 pages)
- 65028 FRONT MOUNT RECEIVER (3 pages)
- 65023 FRONT MOUNT RECEIVER (3 pages)
- 65021 FRONT MOUNT RECEIVER (3 pages)
- 65016 FRONT MOUNT RECEIVER (3 pages)
- 65004 FRONT MOUNT RECEIVER (3 pages)
- 65005 FRONT MOUNT RECEIVER (3 pages)
- 65060 FRONT MOUNT RECEIVER (3 pages)
- 65057 FRONT MOUNT RECEIVER (1 page)
- 65063 FRONT MOUNT RECEIVER (3 pages)
- 65062 FRONT MOUNT RECEIVER (3 pages)
- 65046 FRONT MOUNT RECEIVER (3 pages)
- 65003 FRONT MOUNT RECEIVER (3 pages)
- 65029 FRONT MOUNT RECEIVER (3 pages)
- 65024 FRONT MOUNT RECEIVER (3 pages)
- 65049 FRONT MOUNT RECEIVER (3 pages)
- 65022 FRONT MOUNT RECEIVER (3 pages)
- 65025 FRONT MOUNT RECEIVER (3 pages)
- 65015 FRONT MOUNT RECEIVER (3 pages)
- 65014 FRONT MOUNT RECEIVER (3 pages)
- 65061 FRONT MOUNT RECEIVER (3 pages)
- 65043 FRONT MOUNT RECEIVER (3 pages)
- 65032 FRONT MOUNT RECEIVER (3 pages)
- 65030 FRONT MOUNT RECEIVER (3 pages)
- 65017 FRONT MOUNT RECEIVER (3 pages)
- 65053 FRONT MOUNT RECEIVER (4 pages)
- 65001 FRONT MOUNT RECEIVER (3 pages)
- 65055 FRONT MOUNT RECEIVER (3 pages)
- 65048 FRONT MOUNT RECEIVER (3 pages)
- 65008 FRONT MOUNT RECEIVER (3 pages)
- 65009 FRONT MOUNT RECEIVER (3 pages)
- 65051 FRONT MOUNT RECEIVER (3 pages)
- 65041 FRONT MOUNT RECEIVER (3 pages)
- 65031 FRONT MOUNT RECEIVER (3 pages)
- 41935 ULTRA FRAME RECEIVER (3 pages)
- 41931 ULTRA FRAME RECEIVER (1 page)
- 41920 ULTRA FRAME RECEIVER (1 page)
- 41933 ULTRA FRAME RECEIVER (3 pages)
- 41904 ULTRA FRAME RECEIVER (3 pages)
- 41945 ULTRA FRAME RECEIVER (3 pages)