Installation, Instructions, Figure 2 – Draw-Tite 50054 CUSTOM QUICK INSTALL BRACKETS User Manual
Page 4

Installation
Instructions
Part Numbers:
50054
©
2014 Cequent Performance Products
Sheet 3 of 6
50054N
2/24/2014
Rev. A
CUSTOM QUICK INSTALL
MOUNTING KIT
Ram 2500
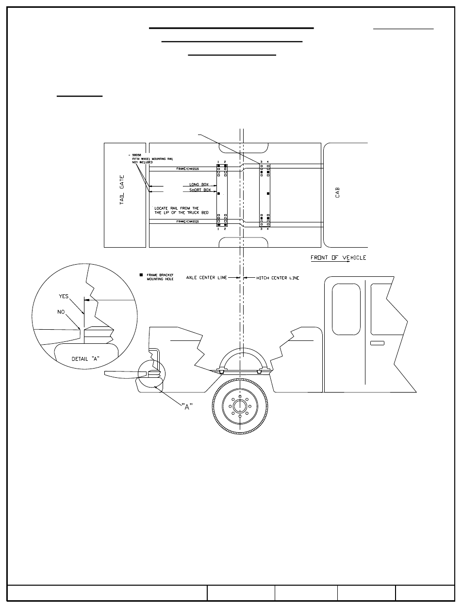
Position the Rail
RAILS 58058 OR 30035 ONLY
27-11/16
”
25-3/4”
USE SADDLE/SLIDER/ARCHES TO
LOCATE FRONT RAIL
FOR RAILS 58058 OR 30035 ONLY
Printed in Mexico
Figure 2
See also other documents in the category Draw-Tite For the car:
- 41991 SERVICE BODY RECEIVER (6 pages)
- 41990 SERVICE BODY RECEIVER (6 pages)
- 65064 FRONT MOUNT RECEIVER (3 pages)
- 65056 FRONT MOUNT RECEIVER (6 pages)
- 65050 FRONT MOUNT RECEIVER (6 pages)
- 65052 FRONT MOUNT RECEIVER (3 pages)
- 65028 FRONT MOUNT RECEIVER (3 pages)
- 65023 FRONT MOUNT RECEIVER (3 pages)
- 65021 FRONT MOUNT RECEIVER (3 pages)
- 65016 FRONT MOUNT RECEIVER (3 pages)
- 65004 FRONT MOUNT RECEIVER (3 pages)
- 65005 FRONT MOUNT RECEIVER (3 pages)
- 65060 FRONT MOUNT RECEIVER (3 pages)
- 65057 FRONT MOUNT RECEIVER (1 page)
- 65063 FRONT MOUNT RECEIVER (3 pages)
- 65062 FRONT MOUNT RECEIVER (3 pages)
- 65046 FRONT MOUNT RECEIVER (3 pages)
- 65003 FRONT MOUNT RECEIVER (3 pages)
- 65029 FRONT MOUNT RECEIVER (3 pages)
- 65024 FRONT MOUNT RECEIVER (3 pages)
- 65049 FRONT MOUNT RECEIVER (3 pages)
- 65022 FRONT MOUNT RECEIVER (3 pages)
- 65025 FRONT MOUNT RECEIVER (3 pages)
- 65015 FRONT MOUNT RECEIVER (3 pages)
- 65014 FRONT MOUNT RECEIVER (3 pages)
- 65061 FRONT MOUNT RECEIVER (3 pages)
- 65043 FRONT MOUNT RECEIVER (3 pages)
- 65032 FRONT MOUNT RECEIVER (3 pages)
- 65030 FRONT MOUNT RECEIVER (3 pages)
- 65017 FRONT MOUNT RECEIVER (3 pages)
- 65053 FRONT MOUNT RECEIVER (4 pages)
- 65001 FRONT MOUNT RECEIVER (3 pages)
- 65055 FRONT MOUNT RECEIVER (3 pages)
- 65048 FRONT MOUNT RECEIVER (3 pages)
- 65008 FRONT MOUNT RECEIVER (3 pages)
- 65009 FRONT MOUNT RECEIVER (3 pages)
- 65051 FRONT MOUNT RECEIVER (3 pages)
- 65041 FRONT MOUNT RECEIVER (3 pages)
- 65031 FRONT MOUNT RECEIVER (3 pages)
- 41935 ULTRA FRAME RECEIVER (3 pages)
- 41931 ULTRA FRAME RECEIVER (1 page)
- 41920 ULTRA FRAME RECEIVER (1 page)
- 41933 ULTRA FRAME RECEIVER (3 pages)
- 41904 ULTRA FRAME RECEIVER (3 pages)
- 41945 ULTRA FRAME RECEIVER (3 pages)