Directory
Brands
R&M Materials Handling manuals
Equipment
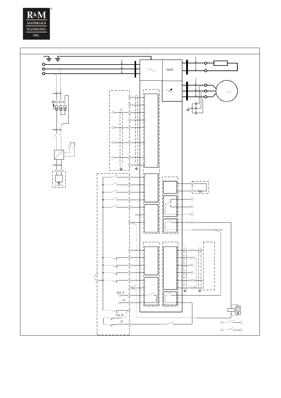
VARIABLE SPEED CONTROLS ControlMaster Plus Service Manual
Manual

011f – R&M Materials Handling VARIABLE SPEED CONTROLS ControlMaster Plus Service Manual User Manual

Page 71

  • Text mode
  • Original mode
011f | R&M Materials Handling VARIABLE SPEED CONTROLS ControlMaster Plus Service Manual User Manual | Page 71 / 83 011f | R&M Materials Handling VARIABLE SPEED CONTROLS ControlMaster Plus Service Manual User Manual | Page 71 / 83
Pages: 1 … 69 70 71 72 73 … 83
  • wrong Brand
  • wrong Model
  • non readable
See also other documents in the category R&M Materials Handling Equipment:
  • VARIABLE SPEED CONTROLS ControlMaster NXT Service Manual (53 pages)
  • VARIABLE SPEED CONTROLS CMXC 007 Service Manual (9 pages)
  • END TRUCKS BRIDGE DRIVES WHEEL BLOCKS RT_RS (29 pages)
  • VARIABLE SPEED CONTROLS CMXC 022 Service Manual (14 pages)
  • VARIABLE SPEED CONTROLS ControlMaster Elite Manual (31 pages)
  • END TRUCKS BRIDGE DRIVES WHEEL BLOCKS GES Drive Manual (11 pages)
  • HOIST MONITORS (105 pages)
  • VARIABLE SPEED CONTROLS ControlMaster Select Service Manual (46 pages)
Home Brands Popular manuals Recently added
Manuals Directory

© 2012–2025, azmanual.top
All rights reserved.