Search
Directory
Brands
Hit Products manuals
Sensors
LogicPLUS S 42/128
Manual
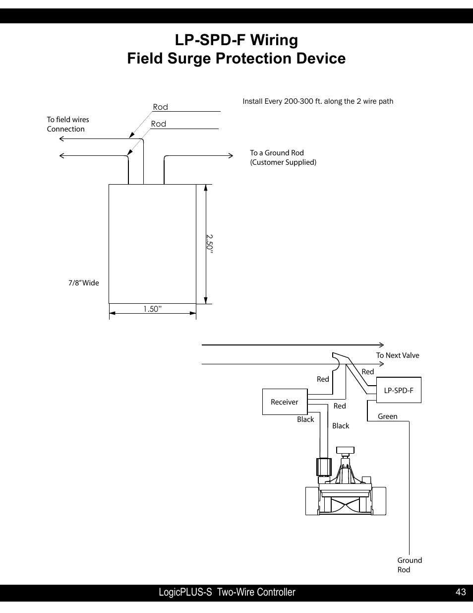
Lp-spd-f wiring field surge protection device – Hit Products LogicPLUS S 42/128 User Manual
Page 43
Text mode
Original mode
Lp-spd-f wiring field surge protection device | Hit Products LogicPLUS S 42/128 User Manual | Page 43 / 45
Pages:
1
…
40
41
42
43
44
45
wrong Brand
wrong Model
non readable
See also other documents in the category Hit Products Sensors:
Logic 2
(24 pages)
Pro-Two
(28 pages)
HDC Controller
(24 pages)
RainPro Expandable
(20 pages)
RainPro Battery Operated Controller
(16 pages)