Dodge ram pickup truck - full size - 1994-present – Draw-Tite 40050 CLASS III-IV MULTI-FIT RECEIVER User Manual
Page 4

DODGE RAM PICKUP TRUCK - FULL SIZE - 1994-PRESENT
FORWARD HOLES TO BE DRILLED ON 6 FT. BED
NO DRILLING REQUIRED - (8 Ft. BED ONLY) - USES ALL EXISTING HOLES
NOTE:
ON UNITS EQUIPPED WITH 6’ BED, THE SPARE TIRE WILL HAVE
TO BE RELOCATED ELSEWHERE ON THE VEHICLE.
NOTE: HITCH DOES NOT FIT WITH HEAVY DUTY SUSPENSION.
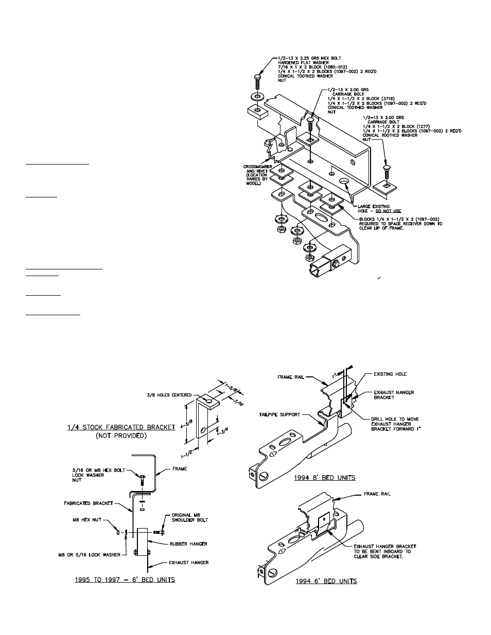
1. REMOVE EXHAUST HANGER BRACKET FROM SIDE OF FRAME FOR ALL
MODELS EXCEPT 1995 TO PRESENT 8' BED MODELS.
2. RAISE RECEIVER INTO POSITION, CENTERING REARMOST HOLE OVER
EXISTING .531 DIAMETER HOLE (NOT LARGE HOLE) AT END OF THE
FRAME. TO CLEAR LIP OF THE FRAME, PLACE 2 BLOCKS BETWEEN
SIDE BRACKETS AND VEHICLE FRAME AT EACH ATTACHMENT. CLAMP
RECEIVER TO THE FRAME.
3. 6' BED VEHICLES ONLY - USING THE SLOTS IN THE SIDE BRACKETS AS
TEMPLATES, CENTER PUNCH AND DRILL TWO (2) 1/2" DIAMETER
HOLES FOR FORWARD ATTACHMENT. SEE GENERAL NOTES
REGARDING THE USE OF EXISTING HOLES.
4. 1999 UNITS – THE CENTER HOLE IN SIDE BRACKET MISSES LINING UP
WITH EXISTING HOLE IN THE FRAME BY ½ A HOLE. THE HOLE IN THE
FRAME WILL HAVE TO BE ENLARGED TO MATCH THE HOLE IN THE
SIDE BRACKET.
5. INSTALL FASTENERS IN EACH SIDE AS SHOWN.
6. CENTER RECEIVER CROSSTUBE ASSEMBLY ON THE VEHICLE AND
TIGHTEN 9/16-18 GR5 HEX BOLTS INSTALLED LOOSELY AS SHOWN ON
PAGE 1 TO 110 LB.-FT.
7. EXHAUST REINSTALLATION:
1994 8' BED UNITS - DRILL HOLE IN EXHAUST BRACKET TO REPOSITION
BRACKET 1" FORWARD AS SHOWN BELOW. REINSTALL BRACKET.
1994 6' BED UNITS - REINSTALL EXHAUST HANGER BRACKET AND
BEND INBOARD TO CLEAR EXHAUST AS SHOWN BELOW.
1995 TO 1997 6' BED UNITS -
1. A NEW HANGER MUST BE FABRICATED AS SHOWN BELOW.
2. ATTACH NEW HANGER TO EXISTING HOLE IN FRAME WITH 5/16 OR M8 FASTENERS.
3. ATTACH RUBBER EXHAUST HANGER TO FABRICATED BRACKET AS SHOWN BELOW.
TIGHTEN 1/2-13 GR5 HEX AND CARRIAGE BOLTS TO 75 LB.-FT.
TIGHTEN 9/16-18 GR5 BOLTS TO 110 LB.-FT.
-4-