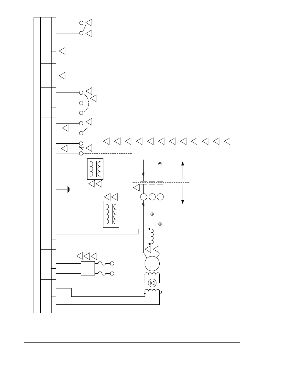
Uti lit y s id e, Ge n e ra to r s id e, No t e s – Basler Electric DECS-100 User Manual
Page 46

4-12
DECS-100 Installation
9287500991 Rev M
P
O
W
E
R
4
C
T
1
C
T
2
V
O
L
T
A
G
E
E
3
E
2
E
1
5
2
J
5
2
K
5
2
L
5
2
M
C
O
N
T
R
O
L
C
O
N
T
R
O
L
5
2
b
S
2
5
1
0
2
1
1
0
U
ti
lit
y
S
id
e
A
B
C
5
2
1
0
7
1
0
7
1
0
8
6
G
e
n
e
ra
to
r
S
id
e
C
T
B
+
G
E
N
P
0
0
2
8
-0
8
0
3
-0
1
-0
5
1
0
O
U
T
P
U
T
F
-
F
+
3
6
D
7
6
U
A
L
1
A
L
2
S
1
A
B
V
M
V
M
C
S
3
1
0
9
5
4
3
1
0
F
IE
L
D
IN
P
U
T
C
T
B
S
E
N
S
IN
G
V
A
R
/P
F
A
D
J
U
S
T
E
X
T
E
R
N
A
L
P
A
R
A
L
L
E
L
D
E
C
S
-1
0
0
W
IT
H
V
O
L
T
A
G
E
M
A
T
C
H
IN
G
A
L
A
R
M
A
U
X
.
A
D
J
U
S
T
V
O
L
T
A
G
E
M
A
T
C
H
IN
G
B
1
B
3
B
U
S
G
R
O
U
N
D
G
N
D
1
1
IC
R
M
-7
1
2
S
T
A
T
IO
N
P
O
W
E
R
N
O
T
E
S
:
3
4
5
6
7
8
1
2
9
1
0
1
1
R
e
q
u
ir
e
d
o
n
ly
f
o
r
o
p
ti
o
n
a
l
V
a
r/
P
F
c
o
n
tr
o
l.
V
a
r/
P
F
i
s
a
c
ti
v
e
w
it
h
5
2
b
o
p
e
n
.
V
a
r/
P
F
i
s
i
n
a
c
ti
v
e
w
it
h
5
2
b
c
lo
s
e
d
.
P
a
ra
lle
l
c
o
n
tr
o
l
a
n
d
d
ro
o
p
a
c
ti
v
e
w
it
h
S
2
o
p
e
n
,
in
a
c
ti
v
e
w
it
h
S
2
c
lo
s
e
d
.
S
1
(
S
P
D
T
,
s
p
ri
n
g
-r
e
tu
rn
t
o
c
e
n
te
r-
o
ff
p
o
s
it
io
n
)
a
d
ju
s
ts
D
E
C
S
-1
0
0
s
e
tp
o
in
t.
N
o
rm
a
lly
-o
p
e
n
o
u
tp
u
t
c
o
n
ta
c
t
c
lo
s
e
s
f
o
r
c
u
s
to
m
e
r
a
la
rm
o
r
tr
ip
.
A
n
a
lo
g
i
n
p
u
t
v
o
lt
a
g
e
b
e
tw
e
e
n
+
/-
3
V
d
c
p
ro
v
id
e
s
a
d
ju
s
tm
e
n
t
o
f
v
o
lt
a
g
e
s
e
tp
o
in
t.
E
x
te
rn
a
l
fu
s
e
s
s
h
o
u
ld
b
e
B
u
s
s
m
a
n
t
y
p
e
K
T
K
-1
0
o
r
e
q
u
iv
a
le
n
t.
S
e
n
s
in
g
p
o
te
n
ti
a
l
tr
a
n
s
fo
rm
e
r
is
r
e
q
u
ir
e
d
i
f
lin
e
v
o
lt
a
g
e
e
x
c
e
e
d
s
6
6
0
V
a
c
.
1
-p
h
a
s
e
p
o
w
e
r
is
s
h
o
w
n
.
F
o
r
3
-p
h
a
s
e
p
o
w
e
r,
a
d
d
m
is
s
in
g
c
o
n
n
e
c
ti
o
n
.
O
p
ti
o
n
a
l
v
o
lt
a
g
e
m
a
tc
h
in
g
c
o
n
tr
o
l
in
p
u
t.
V
o
lt
a
g
e
m
a
tc
h
in
g
i
s
a
c
ti
v
e
w
it
h
S
3
c
lo
s
e
d
,
in
a
c
ti
v
e
w
it
h
S
3
o
p
e
n
.
It
e
m
n
o
t
s
u
p
p
lie
d
b
y
B
a
s
le
r
E
le
c
tr
ic
.
W
h
e
n
g
e
n
e
ra
to
r
ro
ta
ti
o
n
i
s
A
C
B
,
th
e
c
o
n
n
e
c
ti
o
n
s
s
h
o
w
n
f
o
r
C
T
B
s
h
o
u
ld
b
e
r
e
v
e
rs
e
d
.
O
p
ti
o
n
a
l
a
c
c
e
s
s
o
ry
f
o
r
s
ta
ti
o
n
p
o
w
e
r
a
p
p
lic
a
ti
o
n
s
.
1
2
Figure 4-10. Typical Connections for Station Power Application and Three-Phase Sensing
