Basler Electric BE1-87T User Manual
Page 56

4-14
BE1-87T Installation
9171300990 Rev V
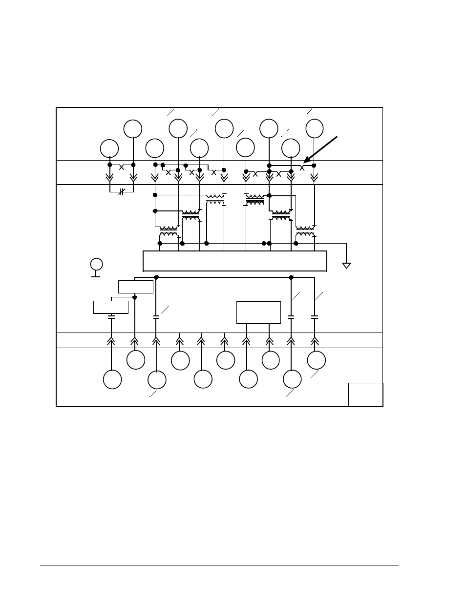
Figure 4-14. Internal Connections: Three-Phase, Two Input (Sensing Input Type E), Output Option F
EXTERNAL
CASE
GROUND
TERMINAL
PADDLE
OPERATED
SHORTING
BARS
POWER
SUPPLY
STATUS
INTERNAL CIRCUITRY
TARGET
11
13
12
14
15
16
17
18
19
20
1
3
2
4
5
6
7
8
9
10
UNREST
COM
REST
REST
REST
D983-025
2-18-93
BE1-87T
POWER
SUPPL Y
UNREST .
TRIP
C2
A2
COM 1
COM2
B2
C1
0
0
0
0
B1
0
A1
0
TARGET
REST
TRIP
C
0
REST
TRIP
B
0
REST
TRIP
A
0
B
0
A
0
C
0
See also other documents in the category Basler Electric Relay:
- BE1-11i RTD Module (672 pages)
- BE1-11m Terminals and Connectors (604 pages)
- BE1-11i RTD Module (554 pages)
- BE1-11 DNP3 Protocol (82 pages)
- BE1-11 IEC 61850 Protocol (100 pages)
- BE1-11 Modbus Protocol (186 pages)
- BE1-851 (364 pages)
- BE1-851E DNP3 Protocol (40 pages)
- BE1-851E Modbus Protocol (70 pages)
- BE1-700 (460 pages)
- BE1-700 Modbus Protocol (92 pages)
- BE1-50 (44 pages)
- BE1-50/51B (76 pages)
- BE1-50/51M (74 pages)
- BE1-50/51B-122 (66 pages)
- BE1-50/51B-232 (64 pages)
- BE1-50/51B-231 (60 pages)
- BE1-50/51B-233 (60 pages)
- BE1-50/51B-240 (52 pages)
- BE1-50/51B-241 (52 pages)
- BE1-50/51B-244 (64 pages)
- BE1-50/51B-225 (72 pages)
- BE1-50/51B-228 (68 pages)
- BE1-50/51B-226 (52 pages)
- BE1-50/51B-236 (68 pages)
- BE1-50/51B-239 (76 pages)
- BE1-50/51B-238 (70 pages)
- BE1-51 (100 pages)
- BE1-64F (30 pages)
- BE1-51/27C (112 pages)
- BE1-25 (66 pages)
- BE1-51/27R (114 pages)
- BE1-87G (68 pages)
- BE1-59N (40 pages)
- BE3-25 (2 pages)
- BE3-27T/59T (2 pages)
- BE3-27/59 (2 pages)
- BE3-32 (2 pages)
- BE1-32O/U (82 pages)
- BE3-47 (2 pages)
- BE3-37/51 (2 pages)
- BE3-47N/27 (2 pages)
- BE3-49R-3 Inputs (2 pages)
- BE3-49R-6 Inputs (2 pages)
- BE3-49TL (2 pages)