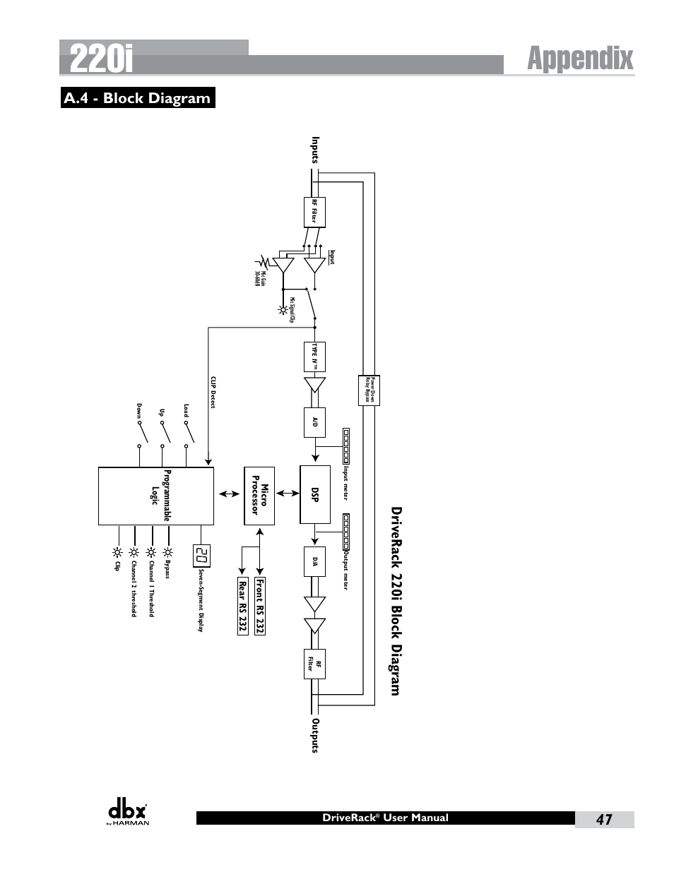
A.4 - block diagram, 220i, Appendix – dbx DriveRack 220i User Manual
Page 51: A.4 - block diagram driv erack 220i block diagram
See also other documents in the category dbx Audio accessories:
- AFS224 Manual (24 pages)
- 1066 (24 pages)
- 1046 (48 pages)
- 1046 (16 pages)
- db12 (2 pages)
- ZonePRO App Guide (4 pages)
- TR1616 (32 pages)
- DriveRack PA2 Complete Loudspeaker Management System (70 pages)
- DriveRack PA2 Quickstart Guide (2 pages)
- ZC-BOB (8 pages)
- 231s Equalizer (12 pages)
- PS6 (2 pages)
- ZonePRO 1260 (1 page)
- 234s Crossover (20 pages)
- 166xs (28 pages)
- PB48 (4 pages)
- DriveRack 260 (84 pages)
- DriveRack 4820 (96 pages)
- 376 (37 pages)
- iEQ15 (20 pages)
- ZC controller connectivity and association (1 page)
- Advanced Feedback Suppression AFS224 (11 pages)
- 162SL (31 pages)
- 266xs - Compressor/Gate (16 pages)
- ZonePRO 641m Digital Zone Processor (60 pages)
- DriveRack PX Quickstart Guide (24 pages)
- 1074 (16 pages)
- PX (48 pages)
- 2031 Equalizer (40 pages)
- 1231 Equalizer (44 pages)
- 286s (28 pages)
- 386 (35 pages)
- 160SWP (8 pages)
- 160SL (32 pages)
- 120A (16 pages)
- db10 (2 pages)
- DriveRack PA+ Quickstart Guide (16 pages)
- ZonePRO 641m (1 page)
- 160A (20 pages)
- PMC16 (64 pages)
- DriveRack PA+ (40 pages)
- DriveRack VENU360 Loudspeaker Management System (127 pages)
