Bi-directional port 2, Atar862-4 – Rainbow Electronics ATAR862-4 User Manual
Page 34

34
ATAR862-4
4552B–4BMCU–02/03
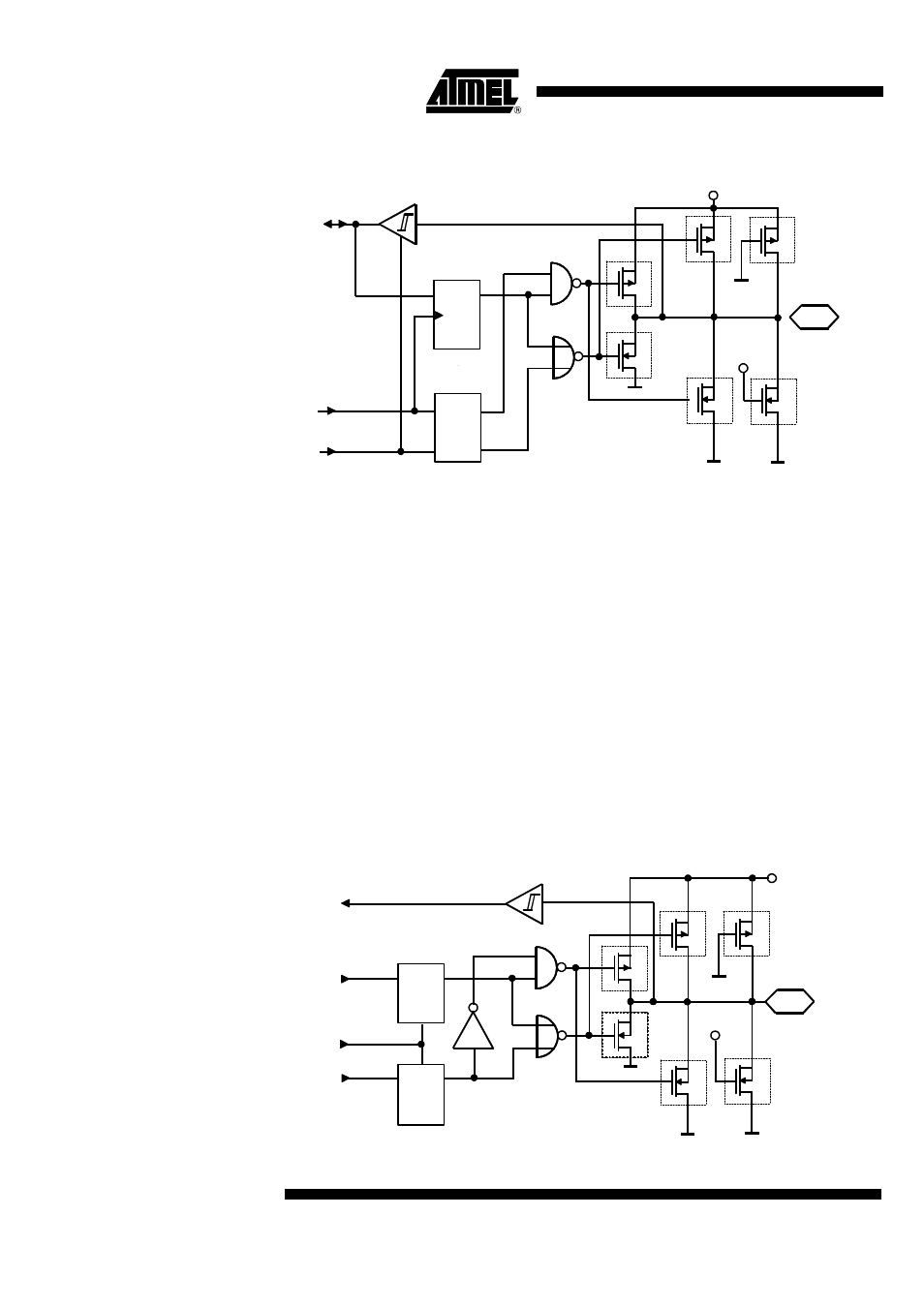
Figure 28.
Bi-directional Port 1
Bi-directional Port 2
As all other bi-directional ports, this port includes a bitwise programmable Control Reg-
ister (P2CR), which enables the individual programming of each port bit as input or
output. It also opens up the possibility of reading the pin condition when in output mode.
This is a useful feature for self testing and for serial bus applications.
Port 2, however, has an increased drive capability and an additional low resistance pull-
up/-down transistor mask option.
Care should be taken connecting external components to BP20/NTE. During any reset
phase, the BP20/NTE input is driven towards V
DD
by an additional internal strong pull-up
transistor. This pin must not be pulled down (active or passive) to V
SS
during reset by
any external circuitry representing a resistor of less than 150 k
W
. This prevents the cir-
cuit from unintended switching to test mode enable through the application circuitry at
pin BP20/NTE. Resistors less than 150 k
W
might lead to an undefined state of the inter-
nal test logic thus disabling the application firmware.
To avoid any conflict with the optional internal pull-down transistors, BP20 handles the
pull-down options in a different way than all other ports. BP20 is the only port that
switches off the pull-down transistors during reset.
Figure 29.
Bi-directional Port 2
OUT
IN
Reset
I/O Bus
D
R
S
Q
Q
NQ
R
Master reset
P1DATy
(Data out)
(Direction)
BP1y
V DD
*
Switched
pull-up
*
**
*
*) Mask options
V DD
Static
pull-up
Static
pull-down
Switched
pull-down
Master reset
Q
Q
BP2y
Mask options
*
*
P2DATy
P2CRy
I/O Bus
D
I/O Bus
I/O Bus
*
*
Switched
pull-up
*
Static
Pull-up
(Data out)
(Direction)
*
S
D
*
S
*
V
DD
Static
Pull-down
Switched
pull-down
V
DD
