Atar862-4 – Rainbow Electronics ATAR862-4 User Manual
Page 10

10
ATAR862-4
4552B–4BMCU–02/03
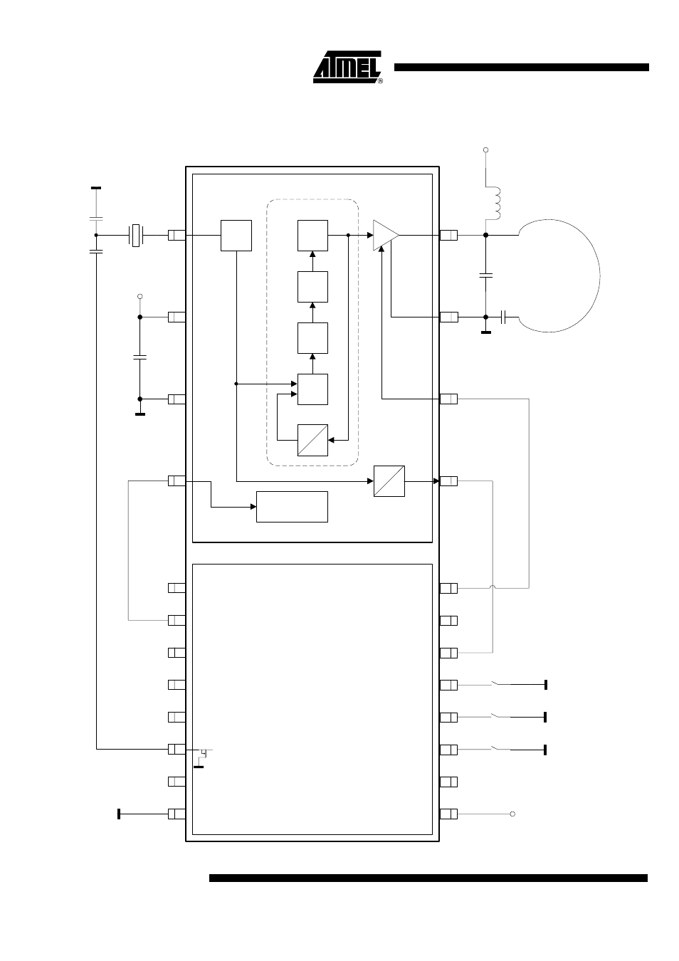
Figure 7.
FSK Application Circuit
CLK
PA_ENABLE
ANT2
ANT1
ENABLE
GND
VS
XTAL
21
22
23
24
1
2
3
4
VCO
LF
CP
PFD
f
32
XTO
PLL
PA
f
4
Power up/down
C3
VS
C1
VS
C4
Loop
Antenna
L1
XTAL
C2
C5
9
11
6
5
8
7
10
12
BP20/NTE
VDD
BP42/T2O
VSS
15
16
17
13
19
20
18
17
OSC1
OSC2
BP60/T3O
BP50/INT6
BP63/T3I
BP23
NRESET
BP41/T2I/VMI
BP43/SD/
INT3
BP52/INT1
BP53/INT1
BP40/SC/INT3
VS
S1
S2
S3
See also other documents in the category Rainbow Electronics Wireless Headsets:
- RC2000 (2 pages)
- Т7023 (12 pages)
- Т7024 (20 pages)
- RC2200 (17 pages)
- RF01 (26 pages)
- RC1090 (17 pages)
- U3741BM (32 pages)
- U3742BM (32 pages)
- RAM01 (7 pages)
- RF22 (92 pages)
- RC1180-MBUS (28 pages)
- RFM01 (8 pages)
- RF12B (36 pages)
- RC1290 (17 pages)
- RC2300-ZNM (1 page)
- RF12 (31 pages)
- T48C862-R3 (107 pages)
- RF02 (24 pages)
- T48C862-R8 (107 pages)
- RFM12 (10 pages)
- U3745BM (29 pages)
- T5744 (19 pages)
- RFM12B (10 pages)
- U2745B (9 pages)
- T48C862-R4 (107 pages)
- RA01 (19 pages)
- T5754 (11 pages)
- U2741B (9 pages)
- RFM02 (8 pages)
- RC2100 (22 pages)
- RF модули диапазона ISM (4 pages)
- T5761 (35 pages)
- BTM -17х (5 pages)
- ATA8401 (12 pages)
- BTM -22х (7 pages)
- AT86RF231 (180 pages)
- ATA5575M1 (7 pages)
- AT88RF1354 (50 pages)
- ATA5812 (90 pages)
- AT86RF401 (50 pages)
- AT76C551 (77 pages)
- BTM -250 (6 pages)
- AT75C310 (132 pages)
- AT75C320 (13 pages)
- BTM -140 (6 pages)
