Search
Directory
Brands
Elmo manuals
Receivers and Amplifiers
SERVO AMPLIFIER DBP SERIES
Manual
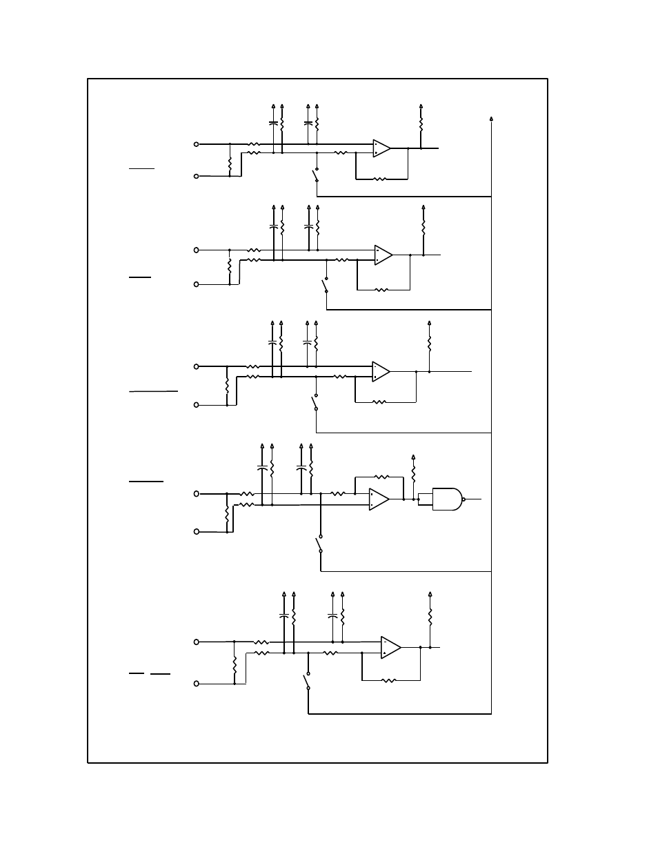
Encoder inputs, Ay/pulse, By/dir – Elmo SERVO AMPLIFIER DBP SERIES User Manual
Page 15: Index, Ch a, Ch b
Text mode
Original mode
Encoder inputs, Ay/pulse, By/dir | Index, Ch a, Ch b | Elmo SERVO AMPLIFIER DBP SERIES User Manual | Page 15 / 134
Pages:
1
…
13
14
15
16
17
…
134
wrong Brand
wrong Model
non readable