Kenco Engineering KMD Transmitter User Manual
Page 11

Page 11
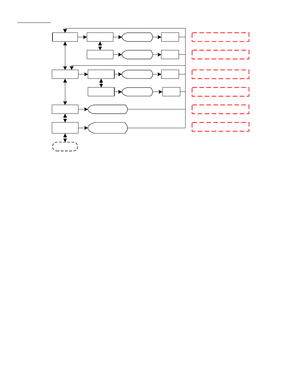
Menu Structure
Setup Using HART
®
Handheld Communicator
HART is an acronym for "Highway Addressable Remote Transducer.” The HART Protocol is the leading communication
technology used with smart process instrumentation today. HART continues to grow in popularity and recognition in the
industry as a global standard for smart instrument communication.
Unlike other digital communication technologies, the HART Protocol provides a unique communication solution that is
backward compatible with the installed base of instrumentation in use today. This backward compatibility ensures that
investments in existing cabling and current control strategies will remain secure well into the future.
Designed to compliment traditional 4-20mA analog signaling, the HART Protocol supports two way digital communications
for process measurement and control devices. Applications include remote process variable interrogation, cyclical access
to process data, parameter setting and diagnostics.
The menu structure of the HART Handheld Communicator is shown on the next page.
Cal Lev 1 ?
Set Span ?
Set Zero ?
Shows
existing level
Accept ?
Shows
existing level
Accept ?
Cal Lev 2 ?
Set Span ?
Set Zero ?
Shows
existing level
Accept ?
Shows
existing level
Accept ?
Test LCD ?
All LCD
Segments turn on
Set LCD
Cntrst ?
Cal Lev 1?
Enter the Low Level Point for
Loop #1
Enter the High Level point for
Loop #1
Enter the Low Level /
Temperature Point for Loop #2
Enter the High Level /
Temperature Point for Loop #2
Press ENTER to test the
Display
Adjust the display’s contrast for
easier viewing
Adjust Contrast
0-3