Problem solver, Will not work – Hotpoint RGB747GER User Manual
Page 45

1
PROBLEM
OVEN
WILL NOT WORK
BURNERS DO NOT
LIGHT OR DO NOT
BURN EVENLY
BURNERS HAVE YELLOW
OR YELLOW-TIPPED
FLAMES
BURNER FLAMES VERY
LARGE OR YELLOW
OVEN DOES NOT
COOK PROPERLY
CLOCKAND
DONOTWORK
OVENLIGHTDOESNOT
COMEON
POSSIBLE CAUSE
●
Plug on range is not completely inserted in the electrical outlet.
The circuit breaker in your house has been tripped, or a fuse has been blown.
●
Oven controls not properly set.
Door left in locked position after cleaning.
●
Make sure electrical plug is plugged into a live power outlet.
●
Burner holes on the side or around the top of burner may be clogged. Remove
burner heads or burner caps and clean them with a toothpick. Make sure you do
not enlarge the holes. Check the electrode area for burned on food or grease.
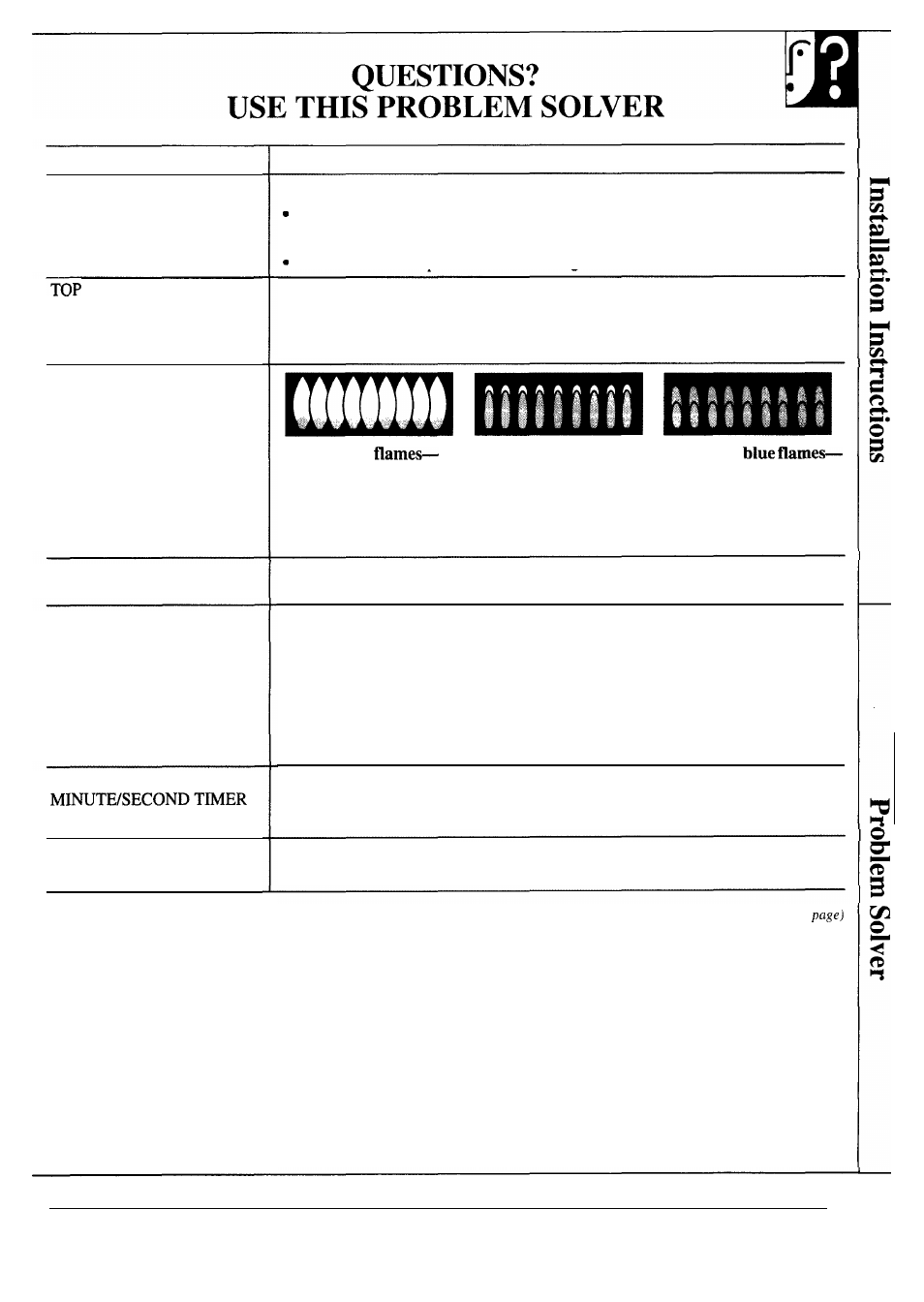
(A) Yellow
(B) Yellow tips on outer
(C) Soft
Call for service
cones—Normal for LP gas
Normal for natural gas
●
If burner flames look like (A), call for service. Normal burner flames should look
like (B) or (C), depending on the type of gas you use.
●
With LP gas, some yellow tipping on outer cones is normal.
●
If range is connected to LP gas, check all steps in the Installation Instructions.
●
Make sure thermostat capillary bulb (located in upper portion of oven) is in
correct position, not touching oven sides and not coated with anything.
●
Aluminum foil being used improperly in oven.
●
Incorrect cookware being used. Check each cooking section for cookware tips
or recommendations.
●
Check common problems listed in Baking, Roasting and Broiling sections.
●
Oven bottom not securely seated in position.
●
Range electrical plug must be securely seated in a live power outlet. Check for
blown fuse or tripped circuit breaker.
●
Review instructions in Oven Control, Clock and Timer section.
●
Bulb may be loose or burned out.
●
Electrical plug must be plugged into a live power outlet
(continued
next
45
