Comtech EF Data DD2401 User Manual
Page 19

DD2401 Satellite Demodulator
Operation
MN-DD2401 - Rev. G
3-1
Theory of Operation
3
3.0 Theory of Operation
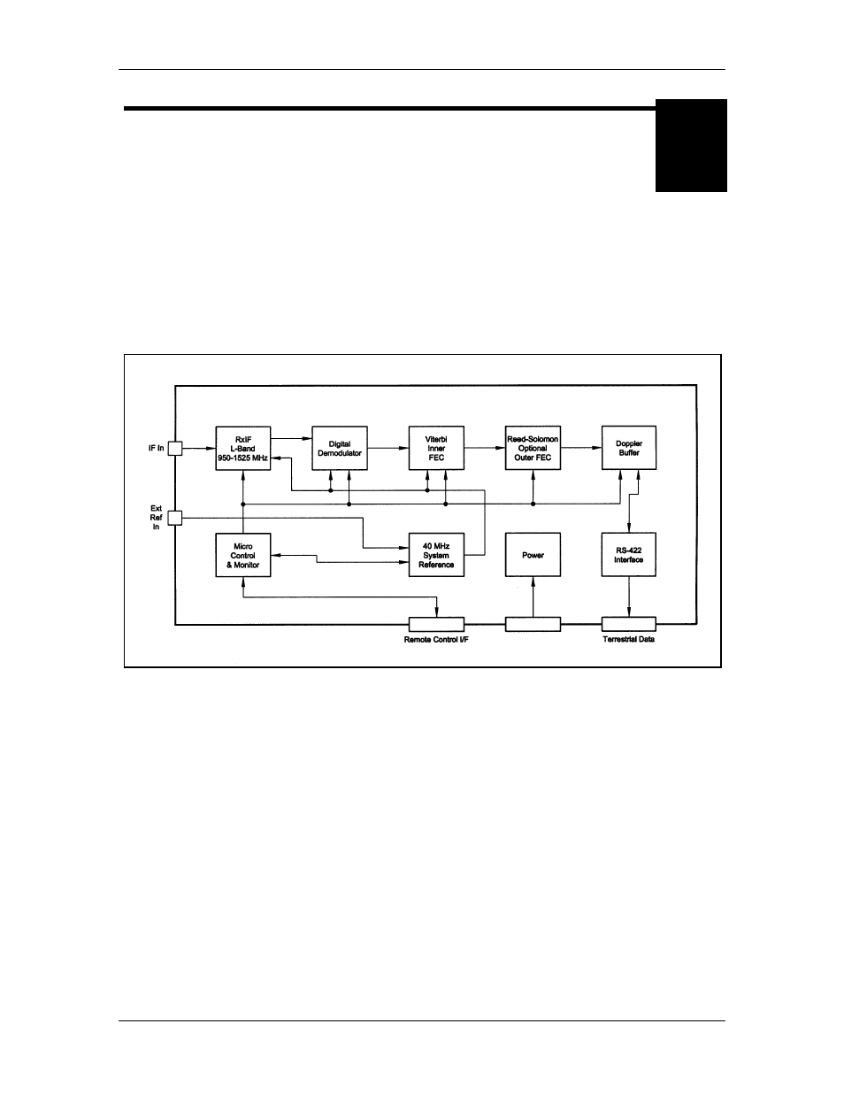
The DD2401 L-Band Satellite Demodulator supplies the Terrestrial Interface with a data stream.
The DD2401 receives a RF Carrier and converts it into data. The data is then digitally filtered,
passed through the Viterbi FEC, differentially decoded, and descrambled before it is sent to the
Terrestrial Interface.
A block diagram of the signal flow is shown in Figure 3-1 below.
Figure 3-1. DD2401 Demodulator Functional Block Diagram
3.1 Applications
Following are just a few representative forms of satellite communications links and networks in
which the DD2401 Demod may be used.
3.1.1 SCPC Point-to-Point Links
The most straightforward application for a Satellite Demodulator is to serve as the Data
Communications Equipment (DCE) for a Point-to-Point Data Link. When used in this mode, two
demodulators located at two different sites are tuned to complementary transmit and receive
frequencies. Each direction of the communications link may have the same or entirely different
transmission parameters. In this application, it is typical that the link is established and
maintained on a continuous basis, although a special “on demand” case is described later.
