Control arm and bypass arm – Cub Cadet ZD User Manual
Page 19

16
EZT
®
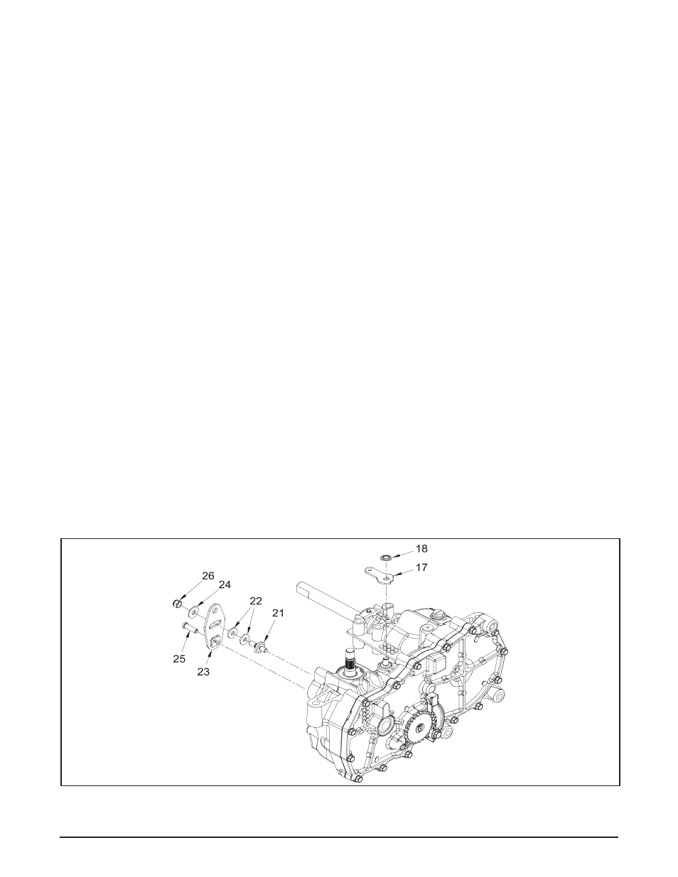
figure 8. control arm and Bypass arm
Refer to Figure 8.
disassembly
1. Loosen and remove the lock nut (26) and
flat washer (24). Discard the lock nut (26)
and flat washer (24).
2. Remove the torx head screw (25) from the
directional control.
3. Remove control arm (23) and pucks (22).
Discard the pucks.
4. Remove the bypass arm retaining ring (18)
and bypass arm (17). Discard the retaining
ring.
5. If necessary, remove and replace the control
arm stop stud (21).
inspection
1. Inspect the control arm stop stud (21) for
wear or damage.
2. Inspect the control arm (23) for wear or
damage.
3. Inspect the bypass arm (17) for wear or
damage.
assembly
1. Install the bypass arm (17) onto the bypass
rod. Secure the bypass arm with a new re-
taining ring (18).
2. Replace the control arm stop stud (21) if
removed. Torque according to specifications
in Table 6 on page 13.
3. Install the control arm (23).
4. Install the control arm screw (25). Refer to
Table 6 for screw torque specifications.
conTrol arM and BYpass arM
