Directory
Brands
Pololu manuals
Hardware
Dual VNH5019
Manual

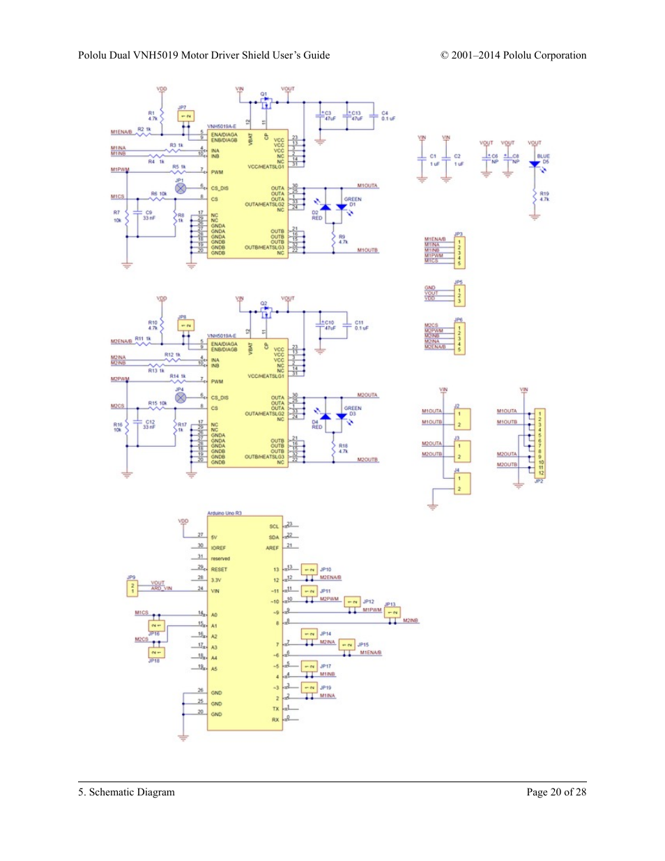
Pololu Dual VNH5019 User Manual

Page 20

  • Text mode
  • Original mode
Pololu Dual VNH5019 User Manual | Page 20 / 28 Pololu Dual VNH5019 User Manual | Page 20 / 28
Pages: 1 … 18 19 20 21 22 … 28
  • wrong Brand
  • wrong Model
  • non readable
See also other documents in the category Pololu Hardware:
  • Custom Laser (29 pages)
  • CP2102 (6 pages)
  • USB AVR (54 pages)
  • Orangutan USB (32 pages)
  • TReX (24 pages)
  • TReX Jr (23 pages)
  • Jrk USB (45 pages)
  • Qik 2s9v1 (24 pages)
  • Qik 2s12v10 (33 pages)
  • Maestro (73 pages)
  • Simple (101 pages)
  • Dual MC33926 (24 pages)
  • Orangutan X2 (27 pages)
  • Orangutan SVP (37 pages)
  • Baby Orangutan B (12 pages)
  • 3pi Robot (63 pages)
  • Orangutan SV-xx8 (18 pages)
  • Wixel (64 pages)
  • A-Star 32U4 (30 pages)
  • Wixel Shield for Arduino (12 pages)
  • QTR-8A (12 pages)
Home Brands Popular manuals Recently added
Manuals Directory

© 2012–2025, azmanual.top
All rights reserved.