5 dimensions guide (holes/studs), Dimensions in mm [inch – Garland MO QU 28000 FL INDUCTION MODULE-LINE COOKTOPS DUAL/QUAD User Manual
Page 19

Installation
RTCSmp
Built-In Module-Line Dual/Quad Cooktops
Part # 4532415 Rev 3 (8/19/14)
Page 19
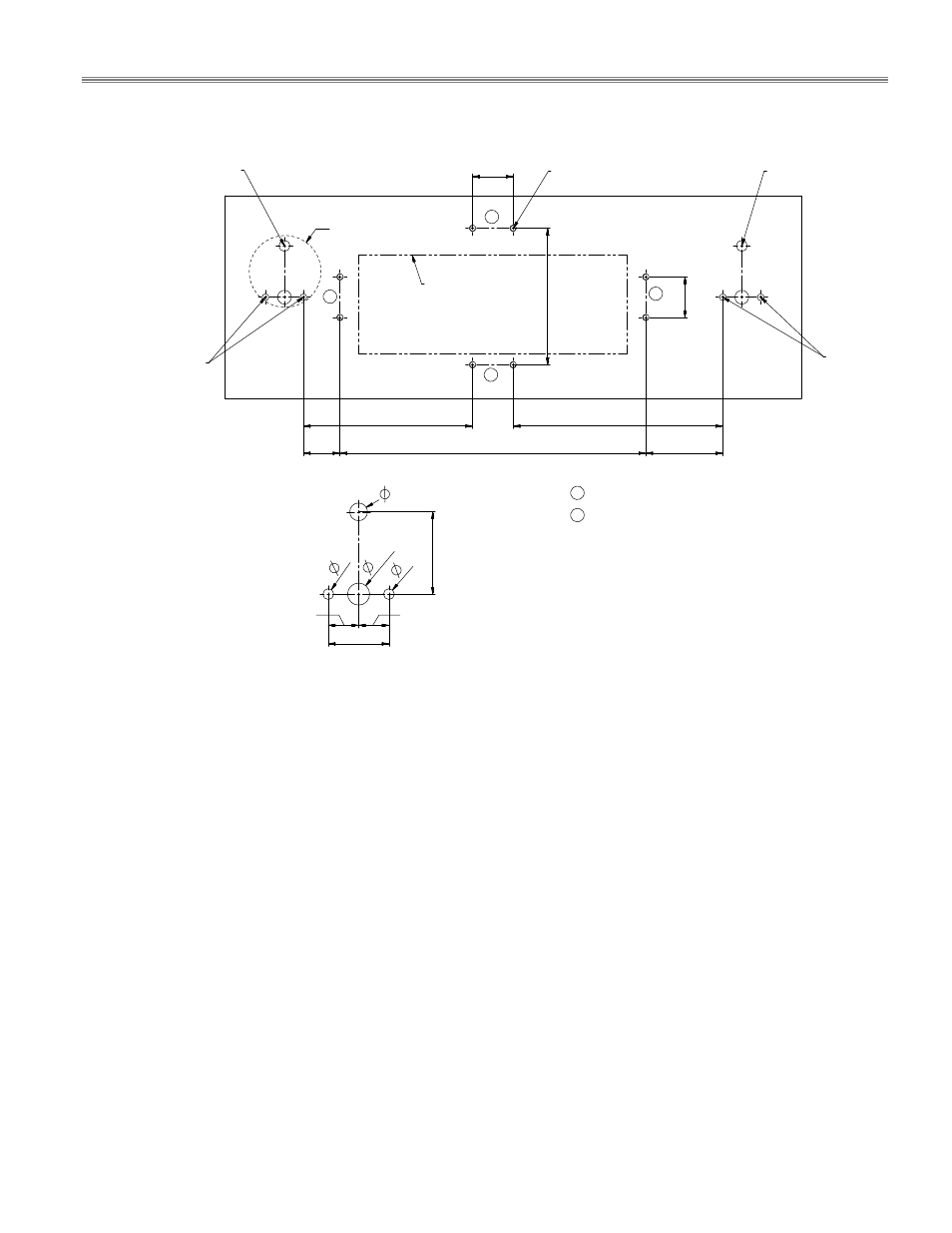
4.4.5
Dimensions Guide (Holes/Studs)
Dimensions in mm [inch]
min.
min.
with EMI
min.
without EMI
min.
with EMI
backside stove cover
DETAIL
A
A
opening LED
field 1/2
opening LED
field 1/2
holes for
rotary knob
fixation
field 1/2
holes for
rotary knob
fixation
field 1/2
control unit
with or without EMI
welding bolts
M4 / M5
X
X
Y
Y
Y
X
welding bolts, for mounting version 1, 2, 3
welding bolts, for mounting version 4
30 [1.18]
226 [8.96]
27 [1.06]
57 [2.24]
125 [4.92]
155 [6.1]
30 [1.18]
101 [3.98]
14 [0.55]
28 [1.10]
14 [0.55]
10.2 [0.4]
5 [1.2]
8.2 [0.32]
38 [1.50]
5 [1.2]
This manual is related to the following products:
- MO QU 24000 INDUCTION MODULE-LINE COOKTOPS DUAL/QUAD MO QU 21000 INDUCTION MODULE-LINE COOKTOPS DUAL/QUAD MO QU 20000 INDUCTION MODULE-LINE COOKTOPS DUAL/QUAD MO QU 14000 INDUCTION MODULE-LINE COOKTOPS DUAL/QUAD MO DU 14000 FL INDUCTION MODULE-LINE COOKTOPS DUAL/QUAD MO DU 10000 INDUCTION MODULE-LINE COOKTOPS DUAL/QUAD MO DU 7000 FL INDUCTION MODULE-LINE COOKTOPS DUAL/QUAD MO DU 7000 INDUCTION MODULE-LINE COOKTOPS DUAL/QUAD
