Deutsch, 3 mode - einstellung der sollwertvorgabe – Burkert Type 8625 User Manual
Page 63

8625-2 Standard - 61
deutsch
6.6.3
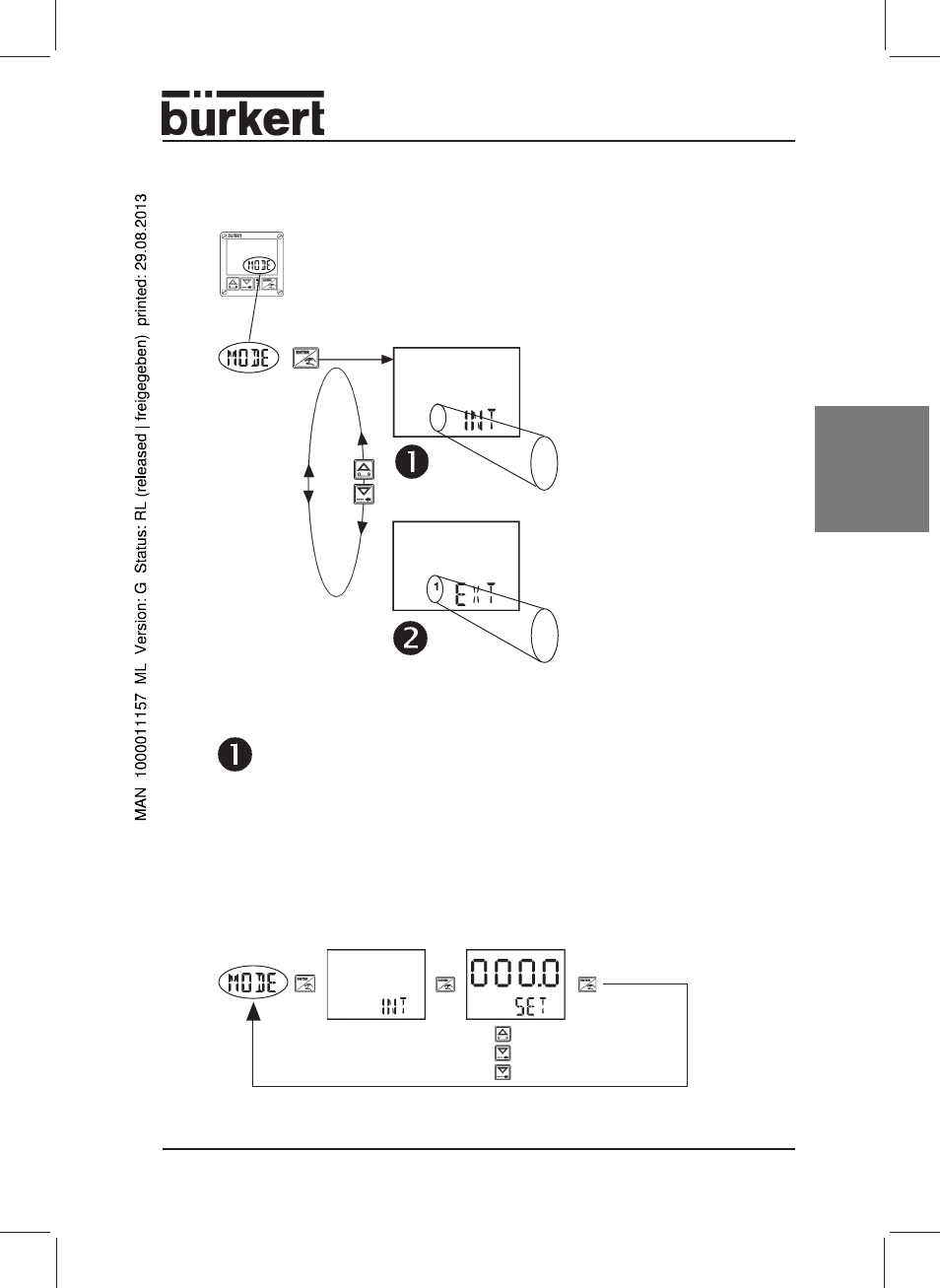
MODE - Einstellung der Sollwertvorgabe
Interner
Sollwert
Externer
Sollwert
Î Wählen Sie hier aus, ob das Gerät mit internem oder externem
Sollwert arbeiten soll.
Die Auswahl "Externer Sollwert" wird durch die Ziffer „1“ in der
unteren Displayzeile gekennzeichnet.
(Werkseinstellung: externer Sollwert).
1
Bild: Einstellung der Sollwertvorgabe
Sollwertvorgabe: Interner Sollwert
Bei der internen Sollwertvorgabe wird der Sollwert als Temperatur in der vorher einge-
stellten Einheit (°C oder °F) eingegeben und gespeichert. Das Gerät regelt auf diesen
Wert aus.
Einstellungen sind zwischen -50 °C und 150 °C bzw. zwischen -58 °F und 302 °F
möglich. Wird versucht einen Wert außerhalb dieses Bereichs einzustellen, so springt
die Anzeige automatisch auf 0 und es muss ein Wert innerhalb des Bereichs eingege-
ben werden. Die Einheit entspricht dem im Menüpunkt
UNIT eingestellten Wert.
(Werkseinstellung 0,0)
Erhöhen der Stelle
nächste Stelle
2 s
an der 4. Stelle von rechts Wechsel
des Vorzeichens
Bild: Sollwertvorgabe Interner Sollwert