Rear panel, Turning the power on – Roland VGA-3 User Manual
Page 10

10
Basic Operation
Rear Panel
fig.0020
921
* To prevent malfunction and/or damage to speakers or other
devices, always turn down the volume, and turn off the power
on all devices before making any connections.
925
* Use only the specified expression pedal (EV-5 or BOSS FV-
300L; sold separately). By connecting any other expression
pedals, you risk causing malfunction and/or damage to the
unit.
Turning the Power On
Once the connections have been completed, turn on power to
your various devices in the order specified. By turning on
devices in the wrong order, you risk causing malfunction
and/or damage to speakers and other devices.
1.
The device connected to GK IN, INPUT or EXT IN
2.
VGA-3
3.
The device connected to RECORDING OUT/PHONES
* This unit is equipped with a protection circuit. A brief interval
(a few seconds) after power up is required before the unit will
operate normally. You should also turn down the volume level
to protect the unit from any sudden peak in volume. Even with
the volume all the way down, you may still hear some sound
when the power is switched on, but this is normal, and does
not indicate a malfunction.
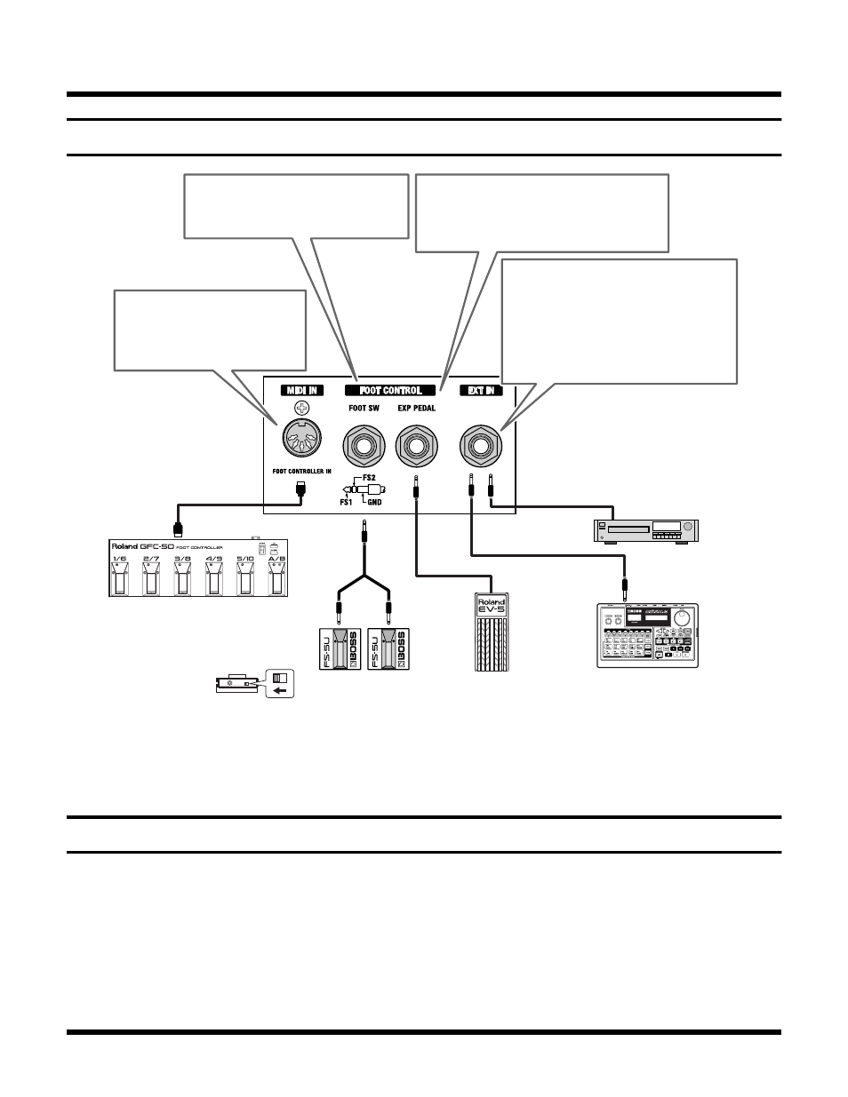
Foot Controller
(GFC-50, FC-200 etc.)
MIDI IN Connector
Connecting a foot controller here
allows you to use your foot to
switch memories (p. 22).
FOOT SW Jack
This allows you to turn effects on and
off and to switch memories, etc. (p. 25).
Foot Switch
(BOSS FS-5U)
Expression Pedal
(EV-5, BOSS FV-300L)
EXP PEDAL Jack
This allows you to control volume and wah
(EFX) and control the SYNTH LEAD or
SYNTH PAD filters.
EXT IN Jack
This lets you input sounds from an
external device.
* Although this jack is compatible with stereo
devices, sounds are output from the speaker
and RECORDING OUT/PHONES in
mono.
CD/MD Player etc.
Backing Machine etc.
PCS-31
(optional)
FS1
(white)
FS2
(red)
Set the polarity switch
as shown below.
