Search
Directory
Brands
Rice Lake manuals
Scales
SURVIVOR Paramounts HE Medium Capacity
Manual
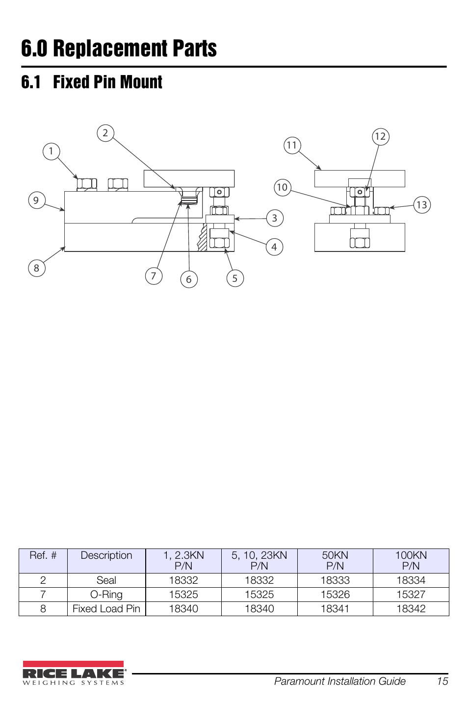
0 replacement parts, 1 fixed pin mount, Side stop and free sliding mounts – Rice Lake SURVIVOR Paramounts HE Medium Capacity User Manual
Page 19: Load cell mounting screws
Text mode
Original mode
0 replacement parts, 1 fixed pin mount, Side stop and free sliding mounts | Load cell mounting screws | Rice Lake SURVIVOR Paramounts HE Medium Capacity User Manual | Page 19 / 24
Pages:
1
…
17
18
19
20
21
…
24
wrong Brand
wrong Model
non readable
This manual is related to the following products:
Paramounts HS
Paramounts EP
Paramounts HS NTEP 4-Module Kit
Paramounts HS NTEP 3-Module Kit
Paramounts HS Non-NTEP 4-Module Kit
Paramounts HS Non-NTEP 3-Module Kit
Paramounts EP 4-Module Kit NTEP
Paramounts EP 4-Module Kit Non-NTEP
Paramounts EP 3-Module Kit NTEP
Paramounts EP 3-Module Kit Non-NTEP
See also other documents in the category Rice Lake Scales:
1010 Potted & Unpotted Single Point, Aluminum
(58 pages)
120 Digital Weight Indicator
(44 pages)
120 Plus Digital Weight Indicator
(56 pages)
320IS Intrinsically-Safe Digital Weight Indicator - Installation Manual
(76 pages)
320IS Intrinsically-Safe Digital Weight Indicator - Timer Relay Instruction Sheet
(2 pages)
320IS Intrinsically-Safe Digital Weight Indicator - Battery Charging Instruction Sheet
(2 pages)
320IS Intrinsically-Safe Digital Weight Indicator - I/O Module for Intrinsically Safe Systems Installation Manual
(15 pages)
320IS Intrinsically-Safe Digital Weight Indicator - IS-6V Battery Pack Instruction Sheet
(6 pages)
320IS Intrinsically-Safe Digital Weight Indicator - IS-EPS-100-240 Power Supply Instructions
(6 pages)
320IS Plus Intrinsically Safe Digital Weight Indicator - Installation Manual
(90 pages)
420 Plus HMI Digital Weight Indicator Installation Manual
(60 pages)
420 Plus HMI Digital Weight Indicator Operator Card
(3 pages)
420 Plus Digital Weight Indicator - 7.5V DC-to-DC Power Supply Installation
(4 pages)
420 Plus Digital Weight Indicator - IQ plus 355 - 390-DC - 590-DC & 420 Plus Quick Connector Cable Installation Instructions
(1 page)
480 Legend Series Digital Weight Indicator Installation Manual
(68 pages)
480 Legend Series Digital Weight Indicator Operator Card
(1 page)
480 Panel Mount Option
(4 pages)
520 Analog Output Card Installation
(2 pages)
520 Digital Weight Indicator Operator Card
(4 pages)
520 HMI Digital Weight Indicator Installation Manual
(98 pages)
520 HMI Digital Weight Indicator Manual - BCD Option
(18 pages)
520 Configurable Weight Indicator - Remote I/O Indicator Interface Installation and Programming Manual
(31 pages)
520 Configurable Weight Indicator - ControlNet Interface Installation and Programming Manual
(23 pages)
520 Configurable Weight Indicator - DeviceNet Interface Installation and Programming Manual
(21 pages)
520 Configurable Weight Indicator - Ethernet Interface Installation and Configuration Manual
(38 pages)
520 Configurable Weight Indicator - EtherNet/IP Interfac Installation and Programming Manual
(26 pages)
520 Configurable Weight Indicator - Profibus DP Interface Installation and Programming Manual
(21 pages)
550-10-1 Digital Chair Scale - Operation Manual
(26 pages)
550-10-1 Digital Chair Scale - Technical Manual
(34 pages)
590-AG Livestock Digital Weight Indicator
(56 pages)
65059 Mild Steel 3-Module Kit - RL50210 Load Cell Mounting Kit Installation Guide
(13 pages)
720i Programmable Indicator/Controller - 6V DC-to-DC Power Supply Installation Instructions
(4 pages)
720i Programmable Indicator/Controller - Installation Manual
(122 pages)
720i Programmable Indicator/Controller - Operator Card
(4 pages)
720i Programmable Indicator/Controller - Analog Output Card Installation Instructions
(4 pages)
720i Programmable Indicator/Controller - CW-90/90X - iQUBE2 - LaserLT WLAN Installation Instructions
(12 pages)
720i Programmable Indicator/Controller - USB Interface Card Installation Instructions
(2 pages)
820i Programmable Indicator/Controller - Installation Manual
(112 pages)
820i Programmable Indicator/Controller - Panel Mount Enclosure Installation Instructions
(6 pages)
880 Performance Series Indicator/Controller Operators Manual
(36 pages)
880 Performance Series Indicator/Controller Technical/Service Manual
(120 pages)
880 Performance Series Panel Mount Indicator/Controller - Adapter Panel Installation
(4 pages)
880 Performance Series Panel Mount Indicator/Controller - Analog Output Card Option Installation Manual
(6 pages)
880 Performance Series Panel Mount Indicator/Controller - DeviceNet Interface Option Installation and Programming Manual
(28 pages)
880 Performance Series Panel Mount Indicator/Controller - EtherNet/IP Interface Option Installation and Programming Manual
(32 pages)