On-time one-shot (ton) – Rainbow Electronics MAX1715 User Manual
Page 12

MAX1715
Ultra-High Efficiency, Dual Step-Down
Controller for Notebook Computers
12
______________________________________________________________________________________
current-limit threshold, and the minimum off-time one-
shot has timed out.
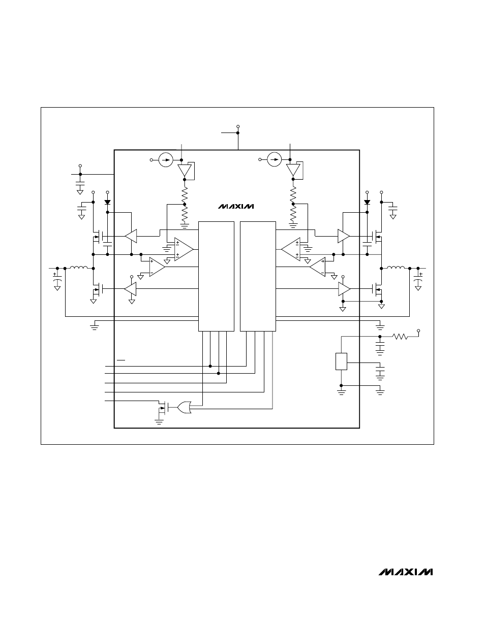
On-Time One-Shot (TON)
The heart of the PWM core is the one-shot that sets the
high-side switch on-time for both controllers. This fast,
low-jitter, adjustable one-shot includes circuitry that
varies the on-time in response to battery and output
voltage. The high-side switch on-time is inversely pro-
portional to the battery voltage as measured by the V+
input, and proportional to the output voltage. This algo-
rithm results in a nearly constant switching frequency
despite the lack of a fixed-frequency clock generator.
The benefits of a constant switching frequency are
twofold: first, the frequency can be selected to avoid
noise-sensitive regions such as the 455kHz IF band;
second, the inductor ripple-current operating point
remains relatively constant, resulting in easy design
methodology and predictable output voltage ripple.
The on-times for side 1 are set 15% higher than the
2V
REF
AGND
REF
OUT2
FB2
20
Ω
PGND
V
DD
OUTPUT2
2.5V
DL2
V
CC
V
DD
LX2
ZERO
CROSSING
CURRENT
LIMIT
PWM
CONTROLLER
(SEE FIGURE 3)
DH2
BST2
R
I
LIM_
V
DD
V
CC
V+
V+
V+
OUT1
FB1
SKIP
TON
ON1
ON2
OUTPUT1
1.8V
5V INPUT
DL1
V
DD
LX1
ZERO
CROSSING
CURRENT
LIMIT
DH1
9R
R
I
LIM_
BATTERY
4.5V TO 28V
5
µA
BST1
V
DD
V
DD
V
CC
V
DD
V+
PWM
CONTROLLER
(SEE FIGURE 3)
MAX1715
5
µA
9R
P
GOOD
Figure 2. Functional Diagram
