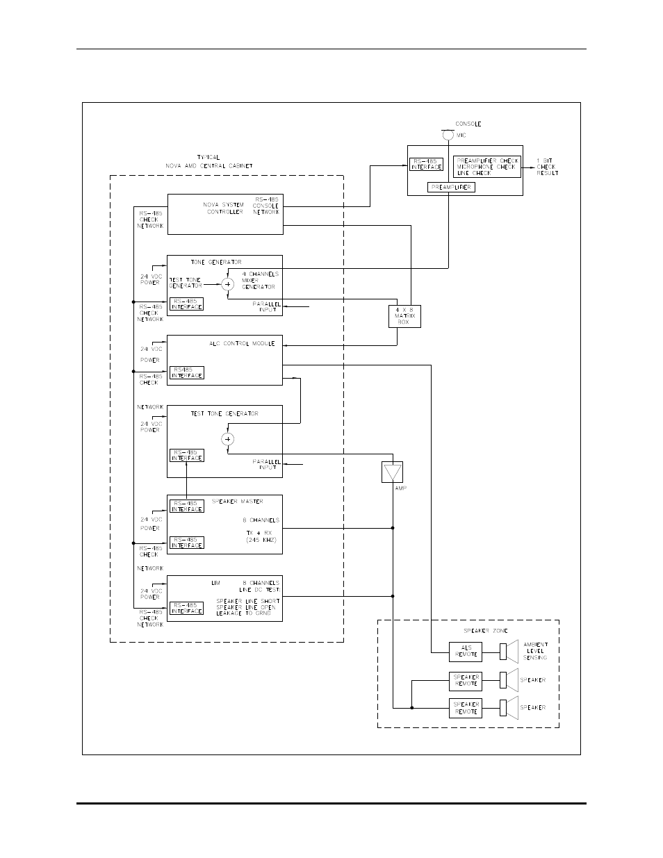
System block diagramfigure, System block diagram – GAI-Tronics 12389-001 NOVA PA/GA Systems S.M.A.R.T. Modules User Manual
Page 5
This manual is related to the following products:
- 69389-010 NOVA PA/GA Systems S.M.A.R.T. Modules 12399-001 NOVA PA/GA Systems S.M.A.R.T. Modules 69403-101 NOVA PA/GA Systems S.M.A.R.T. Modules 13317-002 NOVA PA/GA Systems S.M.A.R.T. Modules 69389-020 NOVA PA/GA Systems S.M.A.R.T. Modules 12395-001 NOVA PA/GA Systems S.M.A.R.T. Modules 13317-001 NOVA PA/GA Systems S.M.A.R.T. Modules 12604-014 NOVA PA/GA Systems S.M.A.R.T. Modules

