Directory
Brands
Cleveland Range manuals
Kitchen
KGL-40 EN
Manual

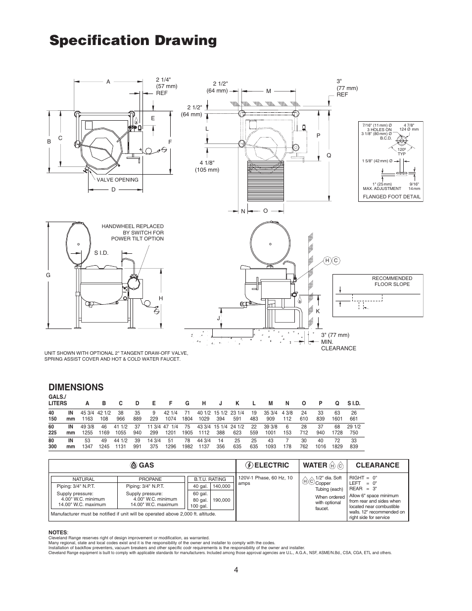
Specification drawing, Dimensions, Water electric – Cleveland Range KGL-40 EN User Manual

Page 7: Gas clearance

  • Text mode
  • Original mode
Specification drawing, Dimensions, Water electric | Gas clearance | Cleveland Range KGL-40  EN User Manual | Page 7 / 42 Specification drawing, Dimensions, Water electric | Gas clearance | Cleveland Range KGL-40 EN User Manual | Page 7 / 42
Pages: 1 … 5 6 7 8 9 … 42
  • wrong Brand
  • wrong Model
  • non readable
This manual is related to the following products:
  • KGL-60 EN KGL-80 EN KGL-100 EN KGL-40-T EN KGL-60-T EN KGL-80-T EN KGL-40-SH EN KGL-60-SH EN KGL-40-TSH EN
See also other documents in the category Cleveland Range Kitchen:
  • KDL-125-T (2 pages)
  • SD-1600 (18 pages)
  • P-KDL-60-CC (2 pages)
  • KDL-40-T (2 pages)
  • HA-MKDL-60-CCT-RL (2 pages)
  • TKET-3-T (2 pages)
  • HA-MKGL-100-CC-T (47 pages)
  • KGL-40-T (2 pages)
  • KEL-40-TSH (2 pages)
  • MKDL-80-CC (43 pages)
  • KGL-40-TSH (42 pages)
  • (T) MKDL-40-T (-CC) (55 pages)
  • KDP-T (19 pages)
  • KGL-60 (2 pages)
  • KGT-25 (36 pages)
  • SD-1050-K 6 6 (23 pages)
  • KEL-40-SH (29 pages)
  • IA-MKDL-100-CC (37 pages)
  • KEL-40-T (2 pages)
  • Steam Jacketed Kettle (12 pages)
  • KEL-30 (2 pages)
  • KDL-250 (2 pages)
  • KET-20-T (2 pages)
  • Batch Bucket BB-60 (2 pages)
  • KEL-80-T (2 pages)
  • KEL-60-SH (2 pages)
Home Brands Popular manuals Recently added
Manuals Directory

© 2012–2025, azmanual.top
All rights reserved.