Dimensions, Figure 9 tpm7, Figure 10 unflanged 1-5/8” tpm – Bird Technologies 3140 Display User Manual

Page 26: Figure 11 flanged 1-5/8” tpm

background image

Bird Electronics Corporation

16

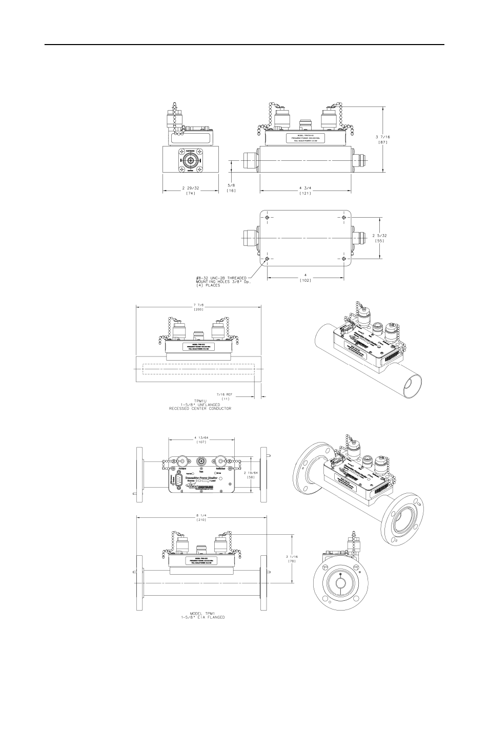
Dimensions

Figure 9

TPM7

Figure 10

Unflanged

1-5/8” TPM

Figure 11

Flanged

1-5/8” TPM

This manual is related to the following products: