Connecting the system (b), Connecting the units – Pioneer AVH-P6400R User Manual
Page 8

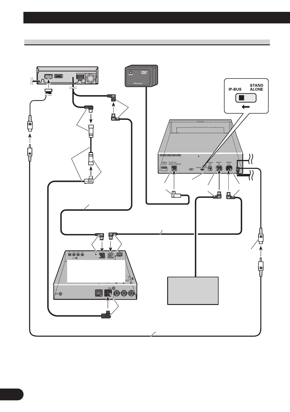
7
Connecting the Units
Not used.
Remote sensor
(supplied with Multi-DVD player)
RCA cable (supplied with Multi-
DVD player)
Yellow
(FRONT VIDEO
OUTPUT)
Black
IP-BUS cable (supplied with
Multi-DVD player)
Black
Blue
Multi-CD player
(sold separately)
Multi-DVD player
(sold separately)
< e.g. XDV-P9 >
Blue
Black
Yellow (VIDEO
INPUT or BACK
UP CAMERA)
Blue
Black
IP-BUS cable (supplied
with the TV tuner)
AV-BUS cable
(supplied with
the TV tuner)
Hide-away TV Tuner
(sold separately)
Black
Blue
This Product
Connecting the system (B)
Perform [VIDEO SETTING] correctly while referring to the Operation
Manual.
When connecting an XDV-P9
II
, refer to the XDV-P9
II
’s Owner’s manual.
Fig. 5
This manual is related to the following products: